ОТГРУЗИЛИ ИЗДЕЛИЙ
с 2008 года: тонн
по чертежам тонн
по сериям и ТУ тонн
из артбетона Бетонный лоток DN100 Гемма Стандарт 160 в Махачкале
Популярные товары в каталоге
![]() У нас можно заказать изготовление по чертежам любых ЖБИ Сэкономьте время на поиск - сразу звоните нам!
Доставка по Махачкале и любым городам России. Цена от 10000 рублей за 1 м3 ( от 5 руб за кг). Производство ЖБИ
Консультация эксперта
Сергеев Александр Вячеславович - Эксперт с 25-летним стажем в сфере производства ЖБИ и изделий из бетона.
Смотрите также:Балконное ограждение БОЛ 63-6.5 Серия 86
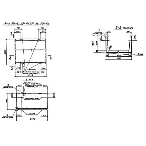
Балка фундаментная 1БФ 51-2 Серия 1.015.1-1.95-3 Балка фундаментная 1БФ 51-1 Серия 1.015.1-1.95-3 Блок Б-1 Серия 3.402-24 Блок Б-10 Серия 3.402-24 Блок Б-10а Серия 3.402-24 Бетонный лоток DN100 Гемма Стандарт 160 в Махачкале в наличии и под заказ по цене от 10 т.р. за м3. У нас можно купить ЖБИ «Бетонный лоток DN100 Гемма Стандарт 160 в Махачкале» с доставкой в любой город, а также любые ЖБИ изделия.
Нам доверяют:
|

+7 921 375-40-71








