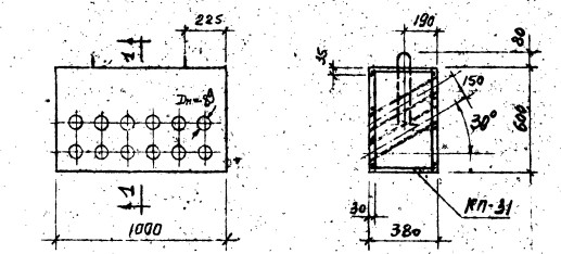
ОТГРУЗИЛИ ИЗДЕЛИЙ с 2008 года: тонн по чертежам тонн по сериям и ТУ тонн из артбетона Блок Б-31 Серия 3.402-24
![]() У нас можно заказать изготовление по чертежам любых ЖБИ Сэкономьте время на поиск - сразу звоните нам!
Доставка по Махачкале и любым городам России. Цена от 10000 рублей за 1 м3 ( от 5 руб за кг). Производство ЖБИ
Консультация эксперта
Сергеев Александр Вячеславович - Эксперт с 25-летним стажем в сфере производства ЖБИ и изделий из бетона.
Смотрите также:Блок Б-30аСерия 3.402-24
Блок Б-30 Серия 3.402-24 Блок Б-3 Серия 3.402-24 Блок Б-31а Серия 3.402-24 Блок Б-32 Серия 3.402-24 Блок Б-32а Серия 3.402-24 Блок Б-31 Серия 3.402-24 в наличии и под заказ по цене от 10 т.р. за м3. У нас можно купить ЖБИ «Блок Б-31 Серия 3.402-24» с доставкой в любой город, а также любые ЖБИ изделия.
Нам доверяют:
|

+7 921 375-40-71

