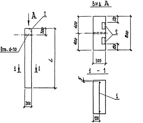
ОТГРУЗИЛИ ИЗДЕЛИЙ с 2008 года: тонн по чертежам тонн по сериям и ТУ тонн из артбетона Блок угловой УБ 18.80-Т Серия 1.432.1-20
![]() У нас можно заказать изготовление по чертежам любых ЖБИ Сэкономьте время на поиск - сразу звоните нам!
Доставка по Махачкале и любым городам России. Цена от 10000 рублей за 1 м3 ( от 5 руб за кг). Производство ЖБИ
Консультация эксперта
Сергеев Александр Вячеславович - Эксперт с 25-летним стажем в сфере производства ЖБИ и изделий из бетона.
Смотрите также:Блок угловой УБ 18.55-Т Серия 1.432.1-20
Блок угловой УБ 18.30-Т Серия 1.432.1-20 Блок угловой УБ 12.80-Т Серия 1.432.1-20 Блок угловой УБ 24.30-Т Серия 1.432.1-20 Блок угловой УБ 24.55-Т Серия 1.432.1-20 Блок угловой УБ 24.80-Т Серия 1.432.1-20 Блок угловой УБ 18.80-Т Серия 1.432.1-20 в наличии и под заказ по цене от 10 т.р. за м3. У нас можно купить ЖБИ «Блок угловой УБ 18.80-Т Серия 1.432.1-20» с доставкой в любой город, а также любые ЖБИ изделия.
Нам доверяют:
|

+7 921 375-40-71

