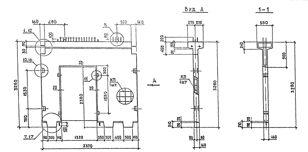
ОТГРУЗИЛИ ИЗДЕЛИЙ с 2008 года: тонн по чертежам тонн по сериям и ТУ тонн из артбетона Диафрагма жесткости 2Д 34.28-2-СП Серия 1.020.1-6сп
Популярные товары в каталоге
![]() У нас можно заказать изготовление по чертежам любых ЖБИ Сэкономьте время на поиск - сразу звоните нам!
Доставка по Махачкале и любым городам России. Цена от 10000 рублей за 1 м3 ( от 5 руб за кг). Производство ЖБИ
Консультация эксперта
Сергеев Александр Вячеславович - Эксперт с 25-летним стажем в сфере производства ЖБИ и изделий из бетона.
Смотрите также:Диафрагма жесткости 2Д 34.28-2-3СП Серия 1.020.1-6сп
Диафрагма жесткости 2Д 34.28-1-СП Серия 1.020.1-6сп Диафрагма жесткости 2Д 34.17-3-СП Серия 1.020.1-6сп Диафрагма жесткости 2Д 34.28-3-3СП Серия 1.020.1-6сп Диафрагма жесткости 2Д 34.28-3-СП Серия 1.020.1-6сп Диафрагма жесткости 2Д 34.33-1-2с Серия 1.020.1-2с/89 Диафрагма жесткости 2Д 34.28-2-СП Серия 1.020.1-6сп в наличии и под заказ по цене от 10 т.р. за м3. У нас можно купить ЖБИ «Диафрагма жесткости 2Д 34.28-2-СП Серия 1.020.1-6сп» с доставкой в любой город, а также любые ЖБИ изделия.
Нам доверяют:
|

+7 921 375-40-71






