ОТГРУЗИЛИ ИЗДЕЛИЙ
с 2008 года: тонн
по чертежам тонн
по сериям и ТУ тонн
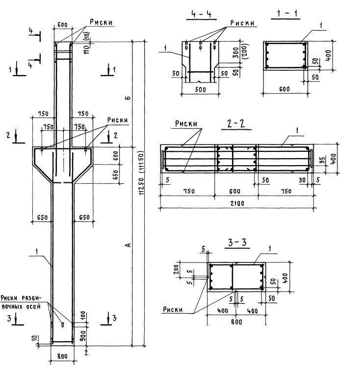
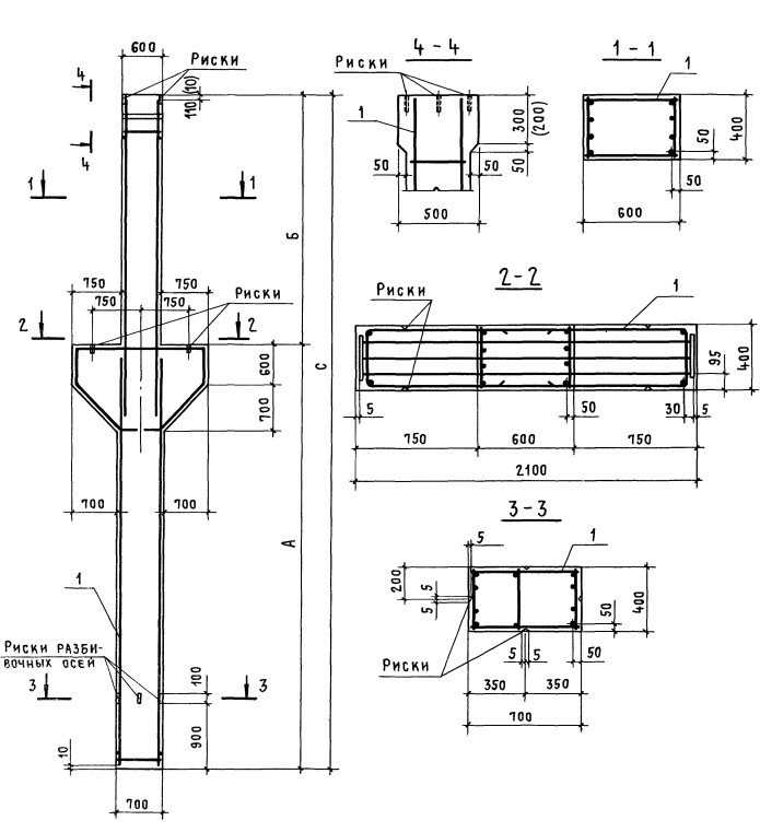
из артбетона Колонны 15К в МахачкалеМы производители! Ассортимент - более 50 тысяч номенклатурных позиций для любых cтроительных задач. заказать недорого с доставкой с доставкой в Махачкале, Дагестану и всей России Колонна 15К в наличии и под заказ. Изготовим ЖБИ и изделия из бетона для любых задач по лучшим ценам! Популярные товары в каталоге
Также в наличии еще сотни позиций из категории «Колонны 15К»! Чтобы получить весь каталог изделий - отправьте заявку на электронную почту или по телефону.
![]() У нас можно заказать изготовление по чертежам любых ЖБИ Сэкономьте время на поиск - сразу звоните нам!
Доставка по Махачкале и любым городам России. Цена от 10000 рублей за 1 м3 ( от 5 руб за кг). Колонны нашего производства
Консультация эксперта
Сергеев Александр Вячеславович - Эксперт с 25-летним стажем в сфере производства ЖБИ и изделий из бетона.
Смотрите также:
Колонны К16
Колонны К17
Козырьки входа
Лестничные косоуры жби
Бетонные лотки
Кабельные лотки жб
Водоотводные лотки
Колонны 12К от завода
Колонны 10К84
Колонны 10К120
Колонны 10К108 из бетона
Замковые камни
Бордюрные камни (бетон)
Заборные блоки и навершия из архитектурного бетона
Нам доверяют:
|

+7 921 375-40-71

