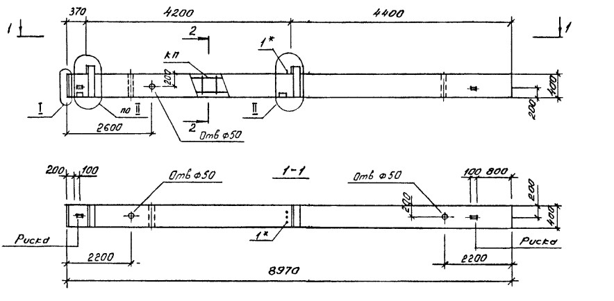
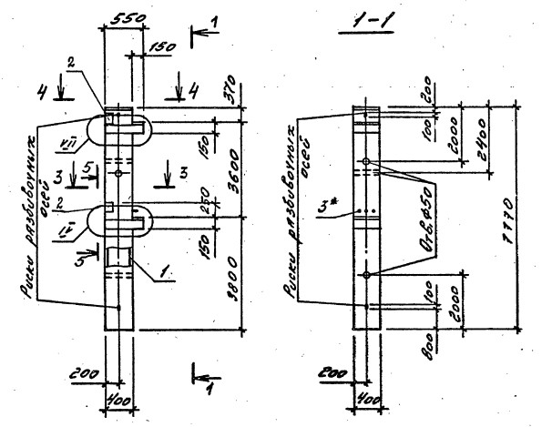
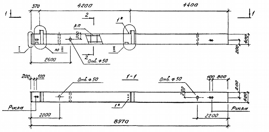
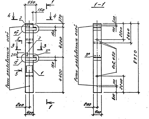
ОТГРУЗИЛИ ИЗДЕЛИЙ с 2008 года: тонн по чертежам тонн по сериям и ТУ тонн из артбетона Колонна 2КБО 42-116 Серия 1.020.1-4
Популярные товары в каталоге
![]() У нас можно заказать изготовление по чертежам любых ЖБИ Сэкономьте время на поиск - сразу звоните нам!
Доставка по Махачкале и любым городам России. Цена от 10000 рублей за 1 м3 ( от 5 руб за кг). Колонны нашего производства
Консультация эксперта
Сергеев Александр Вячеславович - Эксперт с 25-летним стажем в сфере производства ЖБИ и изделий из бетона.
Смотрите также:Колонна 2КБО 42-113 Серия 1.020.1-4
Колонна 2КБО 42-110 Серия 1.020.1-4 Колонна 2КБО 42-107 Серия 1.020.1-4 Колонна 2КБО 42-122 Серия 1.020.1-4 Колонна 2КБО 42-129 Серия 1.020.1-4 Колонна 2КБО 48.48-3.20.00 Серия 1.020.1-4 Колонна 2КБО 42-116 Серия 1.020.1-4 в наличии и под заказ по цене от 10 т.р. за м3. У нас можно купить ЖБИ «Колонна 2КБО 42-116 Серия 1.020.1-4» с доставкой в любой город, а также любые ЖБИ изделия.
Нам доверяют:
|

+7 921 375-40-71




