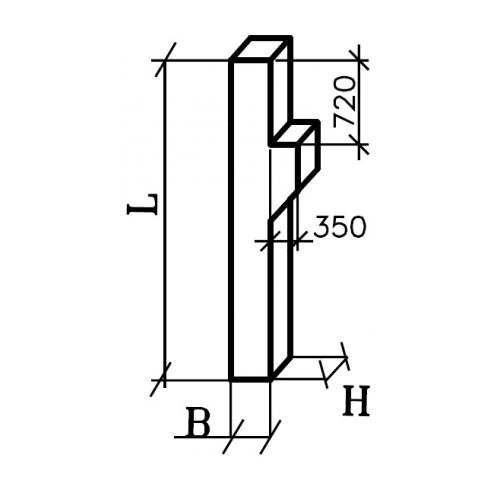
ОТГРУЗИЛИ ИЗДЕЛИЙ с 2008 года: тонн по чертежам тонн по сериям и ТУ тонн из артбетона Колонна К11-6 Серия 1.420.1-19
Популярные товары в каталоге
![]() У нас можно заказать изготовление по чертежам любых ЖБИ Сэкономьте время на поиск - сразу звоните нам!
Доставка по Махачкале и любым городам России. Цена от 10000 рублей за 1 м3 ( от 5 руб за кг). Колонны нашего производства
Консультация эксперта
Сергеев Александр Вячеславович - Эксперт с 25-летним стажем в сфере производства ЖБИ и изделий из бетона.
Смотрите также:Колонна К1-16 Серия 1.420.1-19
Колонна К1-15 Серия 1.420.1-19 Колонна К11-5 Серия 1.420.1-19 Колонна К11-7 Серия 1.420.1-19 Колонна К1-17 Серия 1.420.1-19 Колонна К11-8 Серия 1.420.1-19 Колонна К11-6 Серия 1.420.1-19 в наличии и под заказ по цене от 10 т.р. за м3. У нас можно купить ЖБИ «Колонна К11-6 Серия 1.420.1-19» с доставкой в любой город, а также любые ЖБИ изделия.
Нам доверяют:
|

+7 921 375-40-71


