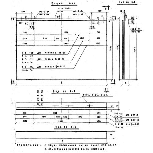
ОТГРУЗИЛИ ИЗДЕЛИЙ с 2008 года: тонн по чертежам тонн по сериям и ТУ тонн из артбетона Панель Ц-60-9 (толщина 220мм) Серия ИИ 04-5
Популярные товары в каталоге
![]() У нас можно заказать изготовление по чертежам любых ЖБИ Сэкономьте время на поиск - сразу звоните нам!
Доставка по Махачкале и любым городам России. Цена от 10000 рублей за 1 м3 ( от 5 руб за кг). Производство ЖБИ
Консультация эксперта
Сергеев Александр Вячеславович - Эксперт с 25-летним стажем в сфере производства ЖБИ и изделий из бетона.
Смотрите также:Панель Ц-60-5 (толщина 380мм) Серия ИИ 04-5
Панель Ц-60-5 (толщина 300мм) Серия ИИ 04-5 Панель Ц-60-5 (толщина 220мм) Серия ИИ 04-5 Панель цокольная Ц-45-15 (толщина 200мм) Серия ИИ 04-5 Панель цокольная Ц-45-21 (толщина 200мм) Серия ИИ 04-5 Панель цокольная Ц-60-15 (толщина 200мм) Серия ИИ 04-5 Панель Ц-60-9 (толщина 220мм) Серия ИИ 04-5 в наличии и под заказ по цене от 10 т.р. за м3. У нас можно купить ЖБИ «Панель Ц-60-9 (толщина 220мм) Серия ИИ 04-5» с доставкой в любой город, а также любые ЖБИ изделия.
Нам доверяют:
|

+7 921 375-40-71








