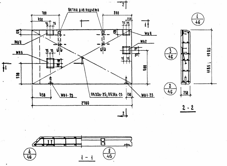
ОТГРУЗИЛИ ИЗДЕЛИЙ с 2008 года: тонн по чертежам тонн по сериям и ТУ тонн из артбетона Панель Н-18-21 из ячеистого бетона (толщина 300мм) Серия ИИ 04-5 в Махачкале
Популярные товары в каталоге
![]() У нас можно заказать изготовление по чертежам любых ЖБИ Сэкономьте время на поиск - сразу звоните нам!
Доставка по Махачкале и любым городам России. Цена от 10000 рублей за 1 м3 ( от 5 руб за кг). Производство ЖБИ
Консультация эксперта
Сергеев Александр Вячеславович - Эксперт с 25-летним стажем в сфере производства ЖБИ и изделий из бетона.
Смотрите также:Панель Н-18-21 из ячеистого бетона (толщина 250мм) Серия ИИ 04-5
Панель Н-18-21 из легкого бетона (толщина 350мм) Серия ИИ 04-5 Панель Н-18-21 из легкого бетона (толщина 300мм) Серия ИИ 04-5 Панель Н-18-27 из легкого бетона (толщина 250мм) Серия ИИ 04-5 Панель Н-18-27 из легкого бетона (толщина 300мм) Серия ИИ 04-5 Панель Н-18-27 из легкого бетона (толщина 350мм) Серия ИИ 04-5 Панель Н-18-21 из ячеистого бетона (толщина 300мм) Серия ИИ 04-5 в Махачкале в наличии и под заказ по цене от 10 т.р. за м3. У нас можно купить ЖБИ «Панель Н-18-21 из ячеистого бетона (толщина 300мм) Серия ИИ 04-5 в Махачкале» с доставкой в любой город, а также любые ЖБИ изделия.
Нам доверяют:
|

+7 921 375-40-71


