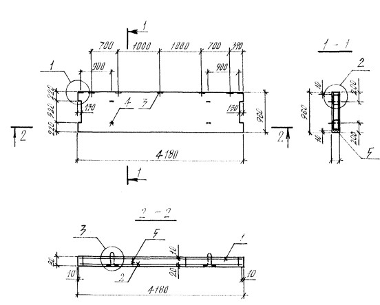
ОТГРУЗИЛИ ИЗДЕЛИЙ с 2008 года: тонн по чертежам тонн по сериям и ТУ тонн из артбетона Панель ограждения лоджий ОЛ 48.10.8-т Серия 1.137.1 КЛ-3
Популярные товары в каталоге
![]() У нас можно заказать изготовление по чертежам любых ЖБИ Сэкономьте время на поиск - сразу звоните нам!
Доставка по Махачкале и любым городам России. Цена от 10000 рублей за 1 м3 ( от 5 руб за кг). Производство ЖБИ
Консультация эксперта
Сергеев Александр Вячеславович - Эксперт с 25-летним стажем в сфере производства ЖБИ и изделий из бетона.
Смотрите также:Панель ограждения лоджий ОЛ 42.10.8-т-1 Серия 1.137.1 КЛ-3
Панель ограждения лоджий ОЛ 42.10.8-т Серия 1.137.1 КЛ-3 Панель НШП-60-12пр из ячеистого бетона (толщина 300мм) Серия ИИ 04-5 Панель ограждения лоджий ОЛ 51.10.8-т-1 Серия 1.137.1 КЛ-3 Панель ограждения лоджий ОЛ 60.10.8-т Серия 1.137.1 КЛ-3 Панель ограждения лоджий ОЛ 60.10.8-т-1 Серия 1.137.1 КЛ-3 Панель ограждения лоджий ОЛ 48.10.8-т Серия 1.137.1 КЛ-3 в наличии и под заказ по цене от 10 т.р. за м3. У нас можно купить ЖБИ «Панель ограждения лоджий ОЛ 48.10.8-т Серия 1.137.1 КЛ-3» с доставкой в любой город, а также любые ЖБИ изделия.
Нам доверяют:
|

+7 921 375-40-71










