ОТГРУЗИЛИ ИЗДЕЛИЙ с 2008 года: тонн по чертежам тонн по сериям и ТУ тонн из артбетона Панель ПК 120-65-П Серия 1.432.1-22
Популярные товары в каталоге
![]() У нас можно заказать изготовление по чертежам любых ЖБИ Сэкономьте время на поиск - сразу звоните нам!
Доставка по Махачкале и любым городам России. Цена от 10000 рублей за 1 м3 ( от 5 руб за кг). Производство ЖБИ
Консультация эксперта
Сергеев Александр Вячеславович - Эксперт с 25-летним стажем в сфере производства ЖБИ и изделий из бетона.
Смотрите также:Панель перегородочная ППБ-3а ТП 901-4-63.83
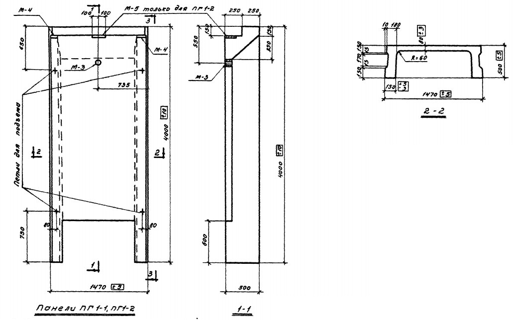
Панель ПГ 56.6 Серия 1.020.1-4 Панель ПГ 56.24 Серия 1.020.1-4 Панель ПК 120-70-П Серия 1.432.1-22 Панель ПК 120-75-П Серия 1.432.1-22 Панель ПК 120-80-П Серия 1.432.1-22 Панель ПК 120-65-П Серия 1.432.1-22 в наличии и под заказ по цене от 10 т.р. за м3. У нас можно купить ЖБИ «Панель ПК 120-65-П Серия 1.432.1-22» с доставкой в любой город, а также любые ЖБИ изделия.
Нам доверяют:
|

+7 921 375-40-71










