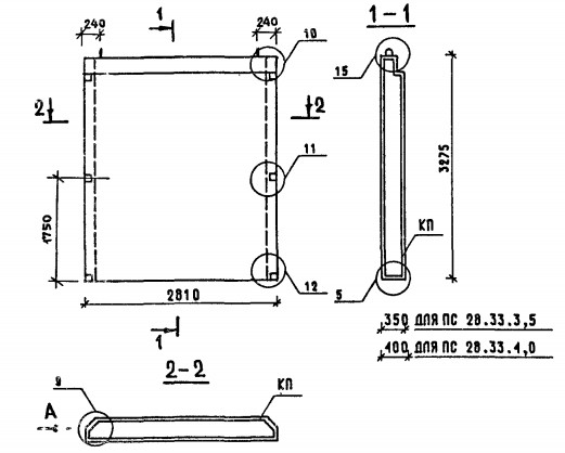
ОТГРУЗИЛИ ИЗДЕЛИЙ с 2008 года: тонн по чертежам тонн по сериям и ТУ тонн из артбетона Панель-перемычка ПС 295-12-20-П-2 Серия 1.432-14/80 в Махачкале
Популярные товары в каталоге
![]() У нас можно заказать изготовление по чертежам любых ЖБИ Сэкономьте время на поиск - сразу звоните нам!
Доставка по Махачкале и любым городам России. Цена от 10000 рублей за 1 м3 ( от 5 руб за кг). Производство ЖБИ
Консультация эксперта
Сергеев Александр Вячеславович - Эксперт с 25-летним стажем в сфере производства ЖБИ и изделий из бетона.
Смотрите также:Панель-перемычка ПС 125.9.30-4П-22 Серия 1.432.1-18
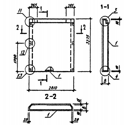
Панель-перемычка ПС 125.9.30-4П-21 Серия 1.432.1-18 Панель-перемычка ПС 125.9.25-3П-22 Серия 1.432.1-18 Панель-перемычка ПС 295-12-20-Я-2 Серия 1.432-14/80 Панель-перемычка ПС 295-12-25-П-2 Серия 1.432-14/80 Панель-перемычка ПС 295-12-25-Я-2 Серия 1.432-14/80 Панель-перемычка ПС 295-12-20-П-2 Серия 1.432-14/80 в Махачкале в наличии и под заказ по цене от 10 т.р. за м3. У нас можно купить ЖБИ «Панель-перемычка ПС 295-12-20-П-2 Серия 1.432-14/80 в Махачкале» с доставкой в любой город, а также любые ЖБИ изделия.
Нам доверяют:
|

+7 921 375-40-71






