ОТГРУЗИЛИ ИЗДЕЛИЙ с 2008 года: тонн по чертежам тонн по сериям и ТУ тонн из артбетона Плита карнизная АК-12.10 Серия 1.138-3 в Махачкале
Популярные товары в каталоге
![]() У нас можно заказать изготовление по чертежам любых ЖБИ Сэкономьте время на поиск - сразу звоните нам!
Доставка по Махачкале и любым городам России. Цена от 10000 рублей за 1 м3 ( от 5 руб за кг). Производство ЖБИ
Консультация эксперта
Сергеев Александр Вячеславович - Эксперт с 25-летним стажем в сфере производства ЖБИ и изделий из бетона.
Смотрите также:Пескоуловитель усиленный ПБУ 50.64 средняя секция
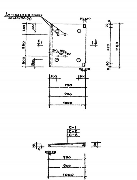
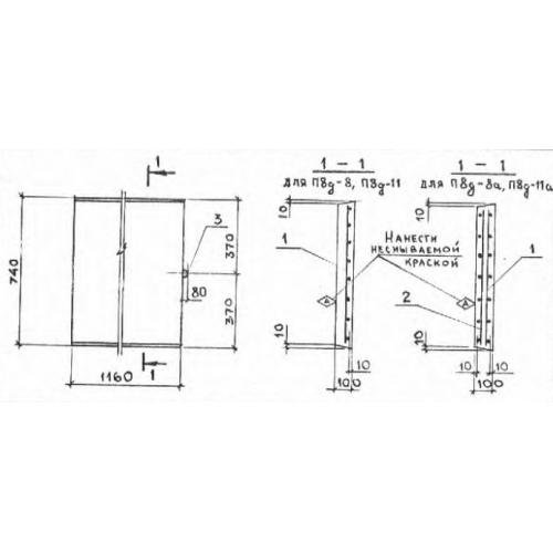
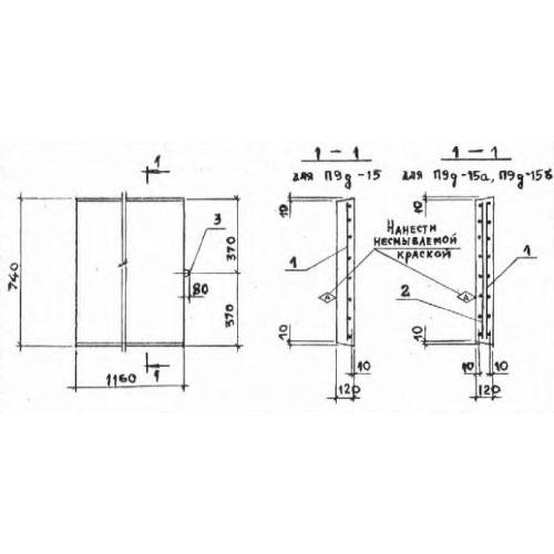
Пескоуловитель усиленный ПБУ 50.64 нижняя секция (глухаяс выходом под трубу) Пескоуловитель усиленный ПБУ 50.64 верхняя секция (с дномбез дна) Плита карнизная АК-12.8 Серия 1.138-3 Плита карнизная АК-12.9 Серия 1.138-3 Плита карнизная АК-15.10 Серия 1.138-3 Плита карнизная АК-12.10 Серия 1.138-3 в Махачкале в наличии и под заказ по цене от 10 т.р. за м3. У нас можно купить ЖБИ «Плита карнизная АК-12.10 Серия 1.138-3 в Махачкале» с доставкой в любой город, а также любые ЖБИ изделия.
Нам доверяют:
|

+7 921 375-40-71









