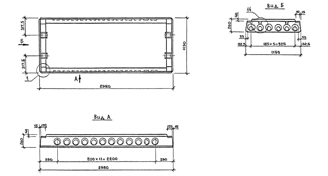
ОТГРУЗИЛИ ИЗДЕЛИЙ с 2008 года: тонн по чертежам тонн по сериям и ТУ тонн из артбетона Плита ПК 27.15-6АIII Серия 1.041.1-3
Популярные товары в каталоге
![]() У нас можно заказать изготовление по чертежам любых ЖБИ Сэкономьте время на поиск - сразу звоните нам!
Доставка по Махачкале и любым городам России. Цена от 10000 рублей за 1 м3 ( от 5 руб за кг). Производство ЖБИ
Консультация эксперта
Сергеев Александр Вячеславович - Эксперт с 25-летним стажем в сфере производства ЖБИ и изделий из бетона.
Смотрите также:Плита ПК 27.15-4АIIIл-2 Серия 1.041.1-3
Плита ПК 27.15-4АIIIл Серия 1.041.1-3 Плита ПК 27.15-4АIII-2 Серия 1.041.1-3 Плита ПК 27.15-6АIII-2 Серия 1.041.1-3 Плита ПК 27.15-6АIIIл Серия 1.041.1-3 Плита ПК 27.15-6АIIIл-2 Серия 1.041.1-3 Плита ПК 27.15-6АIII Серия 1.041.1-3 в наличии и под заказ по цене от 10 т.р. за м3. У нас можно купить ЖБИ «Плита ПК 27.15-6АIII Серия 1.041.1-3» с доставкой в любой город, а также любые ЖБИ изделия.
Нам доверяют:
|

+7 921 375-40-71




