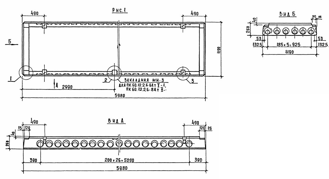
ОТГРУЗИЛИ ИЗДЕЛИЙ с 2008 года: тонн по чертежам тонн по сериям и ТУ тонн из артбетона Плита ПК 56.9-9АтV Серия 1.041.1-3 в Махачкале
Популярные товары в каталоге
![]() У нас можно заказать изготовление по чертежам любых ЖБИ Сэкономьте время на поиск - сразу звоните нам!
Доставка по Махачкале и любым городам России. Цена от 10000 рублей за 1 м3 ( от 5 руб за кг). Производство ЖБИ
Консультация эксперта
Сергеев Александр Вячеславович - Эксперт с 25-летним стажем в сфере производства ЖБИ и изделий из бетона.
Смотрите также:Плита ПК 56.9-7 АтV п Серия 1.041.1-2
Плита ПК 56.9-7 АтIVс п Серия 1.041.1-2 Плита ПК 56.9-7 АV п Серия 1.041.1-2 Плита ПК 68.12-10ВрII Серия 1.041.1-3 Плита ПК 68.12-10ВрIIл Серия 1.041.1-3 Плита ПК 68.12-11АтIVсл Серия 1.041.1-3 Плита ПК 56.9-9АтV Серия 1.041.1-3 в Махачкале в наличии и под заказ по цене от 10 т.р. за м3. У нас можно купить ЖБИ «Плита ПК 56.9-9АтV Серия 1.041.1-3 в Махачкале» с доставкой в любой город, а также любые ЖБИ изделия.
Нам доверяют:
|

+7 921 375-40-71




