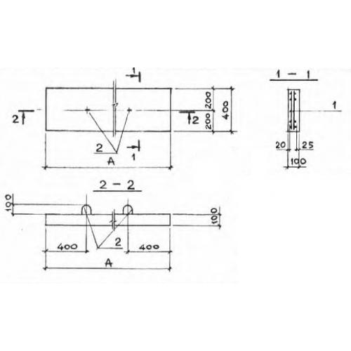
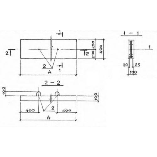
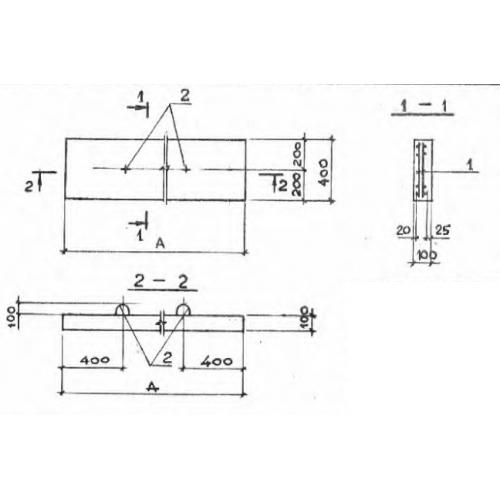
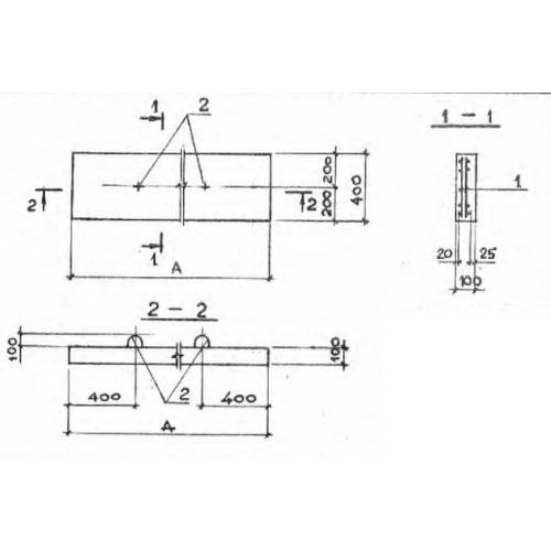
ОТГРУЗИЛИ ИЗДЕЛИЙ с 2008 года: тонн по чертежам тонн по сериям и ТУ тонн из артбетона Плита ППФ12-39 Серия 1.012.1-3.97 в Махачкале
Популярные товары в каталоге
![]() У нас можно заказать изготовление по чертежам любых ЖБИ Сэкономьте время на поиск - сразу звоните нам!
Доставка по Махачкале и любым городам России. Цена от 10000 рублей за 1 м3 ( от 5 руб за кг). Производство ЖБИ
Консультация эксперта
Сергеев Александр Вячеславович - Эксперт с 25-летним стажем в сфере производства ЖБИ и изделий из бетона.
Смотрите также:Плита покрытия 2ПГ 6-4 АтV Серия 1.465.1-7/84
Плита покрытия 1П1-3АIVт-Пж ТП 901-4-63.83 Плита покрытия 1П1-3АIVт-Пд ТП 901-4-63.83 Плита ППФ12-45 Серия 1.012.1-3.97 Плита ППФ12-51 Серия 1.012.1-3.97 Плита ППФ12-57 Серия 1.012.1-3.97 Плита ППФ12-39 Серия 1.012.1-3.97 в Махачкале в наличии и под заказ по цене от 10 т.р. за м3. У нас можно купить ЖБИ «Плита ППФ12-39 Серия 1.012.1-3.97 в Махачкале» с доставкой в любой город, а также любые ЖБИ изделия.
Нам доверяют:
|

+7 921 375-40-71







