8 (800) 444-79-35

Махачкала и Дагестан

+7 921 375-40-71

Для заявок через мессенджеры
Оставить заявку
ОТГРУЗИЛИ ИЗДЕЛИЙ
с 2008 года:
тонн
по чертежам
тонн
по сериям и ТУ
тонн
из артбетона
Получить прайс лист

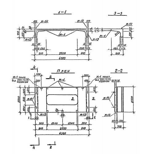
Средний блок камеры СБК 4,0/2,5х0,8 Серия 3.903 КЛ-13 в Махачкале

Наименование
Средний блок камеры
Маркировка
СБК 4,0/2,5х0,8
Нормативный документ
Серия 3.903 КЛ-13
Длина, мм
4320
Ширина, мм
700
Высота, мм
2000
Масса, кг
3700
Объем бетона, м3
1,48
Геометрический объем, м3
6,048
Прочность на сжатие
В22,5
Морозостойкость
F200
Водонепроницаемость
W4
Расход стали
317,6

Варианты маркировки изделия:

  1. СБК-4,0/2,5х0,8
  2. СБК 4,0/2,5х0,8
  3. СБК.4,0/2,5х0,8
  4. СБК4,0/2,5х0,8
  5. СБК/4,0/2,5х0,8
  6. СБК-4,0-2,5х0,8
  7. СБК 4,0 2,5х0,8
  8. СБК-4,0/ 2,5х0,8
  9. СБК-4,0 2,5х0,8
  10. СБК-4,0/2,5х0,8
  11. СБК 4,0/2,5х0,8
  12. СБК4,0/2,5х0,8
  13. СБК/4,0/2,5х0,8

Заказать Средний блок камеры СБК-4,0/2,5х0,8 Серия 3.903 КЛ-13 Вы можете, отправив заявку по форме на сайте, написав на почту Этот e-mail адрес защищен от спам-ботов, для его просмотра у Вас должен быть включен Javascript или позвонив по единому номеру +7 (800) 444-79-35 (звонок по России бесплатный).

Возможно изготовление железобетонных изделий по чертежам заказчика

Поставка осуществляется с производственных площадок, расположенных в Санкт-Петербурге, Москве, Казани, Хабаровске, Ростове-на-Дону, Екатеринбурге, Новосибирске ,Симферополе.

вернуться враздел
Цена от 5 руб. / кг

Заказать продукцию

У нас можно заказать изготовление по чертежам любых ЖБИ Сэкономьте время на поиск - сразу звоните нам!

  • Махачкала 8 (800) 301-17-45


  • Оперативная связь через мессенджеры:

    +7 921 375-40-71

Доставка по Махачкале и любым городам России.

Цена от 10000 рублей за 1 м3 ( от 5 руб за кг).



Производство ЖБИ

Фото эксперта
Консультация эксперта
Сергеев Александр Вячеславович - Эксперт с 25-летним стажем в сфере производства ЖБИ и изделий из бетона.
Задать вопрос эксперту

Средний блок камеры СБК 4,0/2,5х0,8 Серия 3.903 КЛ-13 в Махачкале в наличии и под заказ по цене от 10 т.р. за м3.

У нас можно купить ЖБИ «Средний блок камеры СБК 4,0/2,5х0,8 Серия 3.903 КЛ-13 в Махачкале» с доставкой в любой город, а также любые ЖБИ изделия.

Нам доверяют:

+7(800)444-79-35

звонок по России бесплатный


+7 (812) 565-17-28

Пром-ЖБИ © 2008-2019
Политика конфиденциальности и правила обработки персональных данных, Правила обработки cookies . Информация на сайте носит исключительно информационный характер и не является публичной офертой, определяемой положениями ст. 437 Гражданского кодекса РФКопирование материалов с данного сайта разрешено только с письменного разрешения администрации сайта.
Махачкала и Дагестан

info@prom-gbi.ru
mahachkala.prom-gbi.ru