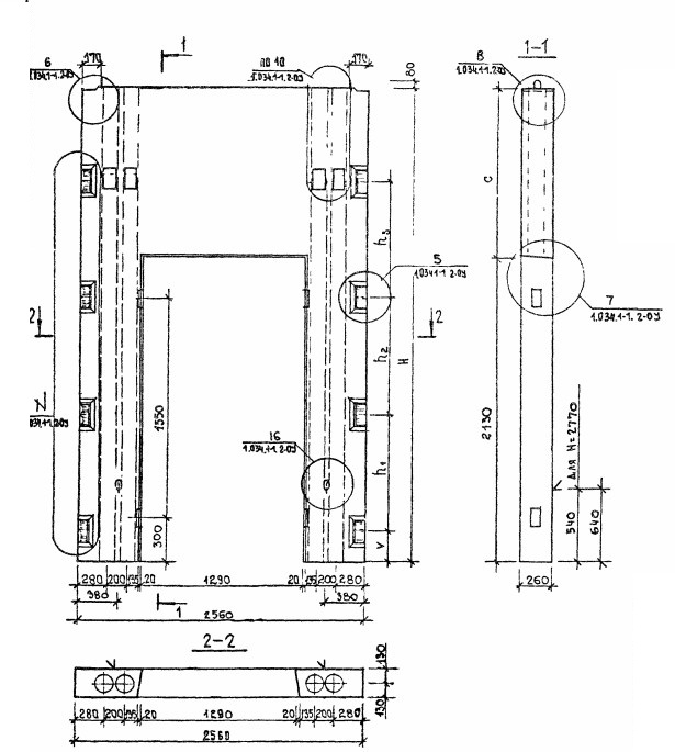
ОТГРУЗИЛИ ИЗДЕЛИЙ с 2008 года: тонн по чертежам тонн по сериям и ТУ тонн из артбетона Вентблок-диафрагма ВДП 26-33 Серия 1.034.1-1
![]() У нас можно заказать изготовление по чертежам любых ЖБИ Сэкономьте время на поиск - сразу звоните нам!
Доставка по Махачкале и любым городам России. Цена от 10000 рублей за 1 м3 ( от 5 руб за кг). Производство ЖБИ
Консультация эксперта
Сергеев Александр Вячеславович - Эксперт с 25-летним стажем в сфере производства ЖБИ и изделий из бетона.
Смотрите также:Вентблок-диафрагма ВДП 26-28 Серия 1.034.1-1
Вентблок-диафрагма ВД 30-36 Серия 1.034.1-1 Вентблок-диафрагма ВД 30-33 Серия 1.034.1-1 Вентблок-диафрагма ВДП 26-36 Серия 1.034.1-1 Вентиляционный блок В 12-20 Серия 1.034.1-1 Вентиляционный блок В 12-28 Серия 1.034.1-1 Вентблок-диафрагма ВДП 26-33 Серия 1.034.1-1 в наличии и под заказ по цене от 10 т.р. за м3. У нас можно купить ЖБИ «Вентблок-диафрагма ВДП 26-33 Серия 1.034.1-1» с доставкой в любой город, а также любые ЖБИ изделия.
Нам доверяют:
|

+7 921 375-40-71

