ОТГРУЗИЛИ ИЗДЕЛИЙ
с 2008 года:
с 2008 года:
тонн
по чертежам
по чертежам
тонн
по сериям и ТУ
по сериям и ТУ
тонн
из артбетона
из артбетона
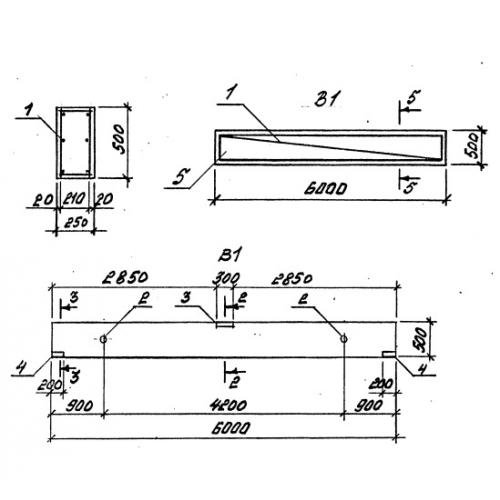
Вставка под технологические трубопроводы В1-2 Серия 3.015-1/92 в Махачкале
![]() |
Наименование
|
Вставка под технологические трубопроводы |
|
Маркировка
|
В1-2 | |
|
Нормативный документ
|
Серия 3.015-1/92 | |
|
Длина, мм
|
6000 | |
|
Ширина, мм
|
250 | |
|
Высота, мм
|
500 | |
|
Масса, т
|
1,88 | |
|
Класс бетона
|
B15 | |
|
Объем, м3
|
0,75 | |
|
Расход стали, кг
|
94,2 |
|
Варианты маркировки изделия: 1. В1-2 Заказать вставку под технологические трубопроводы В1-2 Вы можете, отправив заявку по форме на сайте, написав на почту Этот e-mail адрес защищен от спам-ботов, для его просмотра у Вас должен быть включен Javascript или позвонив по единому номеру +7 (800) 444-79-35 (звонок по России бесплатный). Возможно изготовление железобетонных изделий по чертежам заказчика Поставка осуществляется с производственных площадок, расположенных в Санкт-Петербурге, Москве, Казани, Хабаровске, Новосибирске, Ростове-на-Дону, Екатеринбурге, Симферополе. ![]() |
|

У нас можно заказать изготовление по чертежам любых ЖБИ Сэкономьте время на поиск - сразу звоните нам!
- Махачкала 8 (800) 301-17-45
- Оперативная связь через мессенджеры:
+7 921 375-40-71
Доставка по Махачкале и любым городам России.
Цена от 10000 рублей за 1 м3 ( от 5 руб за кг).
Производство ЖБИ
Консультация эксперта
Сергеев Александр Вячеславович - Эксперт с 25-летним стажем в сфере производства ЖБИ и изделий из бетона.
Вставка под технологические трубопроводы В1-2 Серия 3.015-1/92 в Махачкале в наличии и под заказ по цене от 10 т.р. за м3.
У нас можно купить ЖБИ «Вставка под технологические трубопроводы В1-2 Серия 3.015-1/92 в Махачкале» с доставкой в любой город, а также любые ЖБИ изделия.
Нам доверяют:


