8 (800) 444-79-35

Махачкала и Дагестан

+7 921 375-40-71

Для заявок через мессенджеры
Оставить заявку
ОТГРУЗИЛИ ИЗДЕЛИЙ
с 2008 года:
тонн
по чертежам
тонн
по сериям и ТУ
тонн
из артбетона
Получить прайс лист

Плиты перекрытий коллекторов в Махачкале

Мы производители! Ассортимент - более 50 тысяч номенклатурных позиций для любых cтроительных задач. У нас можно купить любую серийную и нестандартную ЖБИ продукцию (с фибро-, стекло-, керамзитом, сульфатостойким цементом и другими добавками) с доставкой в Махачкале, Дагестану и всей России

В ассортименте компании «Пром-ЖБИ» представлены плиты перекрытий коллекторов. Эти изделия востребованы в сфере инженерного строительства, когда необходимо обустроить подземные коллекторные тоннели.

 

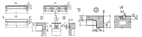
Принятые условные обозначения: Альбом РК 1101-87, Серия 3.006.1-3/83, вып. 1-2

 

Коллекторные тоннели или коммуникационные коллекторы представляют собой сборные проходные тоннели, предназначенные для обслуживания и прокладки инженерных систем коммуникаций (подземные кабельные и телефонные сети, канализации, теплопроводы и т.д.). Они лишены сообщения с прочими подземными сооружениями, поэтому должны оборудоваться собственными инженерными системами.

Плиты перекрытий тоннелей и коллекторов – это изделия из железобетона прямоугольной формы. Она армируется стальными арматурными сетками повышенной прочности. Установленная на блоки стены, эта плита принимает на себя нагрузки от давления проезжающего над тоннелем транспорта и грунта.

Для возведения прямолинейных и угловых, поворотных участков идеально подходят коллекторы, которые составлены из плит перекрытий и сборных стеновых блоков. На основе этих участков возводятся инженерные сооружения: тоннели, путепроводы, мосты.

Характеристики плит перекрытий коллекторов.

Для изготовления плит перекрытий коллекторов используется тяжелый бетон класса по прочности B22,5.

Для соединения плит перекрытий и стеновых элементов применяется способ омоноличивания стыков.

Заказ плит перекрытий коллекторов

Специалисты компании «Пром-ЖБИ» более 9 лет изготавливают плиты перекрытий коллекторов. Наши железобетонные изделия отличаются высокими прочностными и эксплуатационными характеристиками. При этом цена на них свободна от наценок посредников.

Заказать плиты перекрытий коллекторов Вы можете в компании «Пром-ЖБИ». Наши менеджеры готовы принять Ваш заказ по электронной почте: Этот e-mail адрес защищен от спам-ботов, для его просмотра у Вас должен быть включен Javascript , по телефону +7 (800) 444-79-35 или по форме на нашем сайте.

Плита проезжей части - схема

Плиты перекрытий коллекторов, альбом РК 1101-87

Наименование
Длина, мм
Ширина, мм
Высота, мм
Вес, тонн
Объем бетона, куб.м
Сталь, кг
Класс бетона
Серия
КП-12 1220 1200 160 0.42 0.17 16.48 В22,5 Альбом РК 1101-87
КП-21 2500 2980 240 2.59 1.03 105.79 В22,5 Альбом РК 1101-87
КП-21д 2500 880 240 1.23 0.49 19.54 В22,5 Альбом РК 1101-87
КП-25 2900 2080 240 2.18 0.87 102.32 В22,5 Альбом РК 1101-87
КП-25д 2900 880 240 1.45 0.58 28.85 В22,5 Альбом РК 1101-87
КП-30 3400 2080 260 2.68 1.07 131.72 В22,5 Альбом РК 1101-87
КП-30д 3400 880 260 1.85 0.74 52.99 В22,5 Альбом РК 1101-87
КП-36 4000 2080 280 3.3 1.32 202.88 В22,5 Альбом РК 1101-87
КП-36д 4000 600 280 1.58 0.63 47.89 В22,5 Альбом РК 1101-87
КП-42 4600 2080 300 3.95 1.58 289.75 В22,5 Альбом РК 1101-87
КП-42д 4600 600 300 1.95 0.78 68.23 В22,5 Альбом РК 1101-87

Плиты перекрытий коллекторов, серия 3.006.1-3/83, вып. 1-2

Наименование
Длина, мм
Ширина, мм
Высота, мм
Вес, тонн
Объем бетона, куб.м
Сталь, кг
Класс бетона
Серия
ПТ 12 1200 1200 160 0.4 0.16 12.45 В22,5 Серия 3.006.1-3/83, вып. 1-2
ПТ 15-11 2990 1900 180 2.35 0.94 67.9 В22,5 Серия 3.006.1-3/83, вып. 1-2
ПТ 15-12 2990 1900 180 2.35 0.94 71.59 В22,5 Серия 3.006.1-3/83, вып. 1-2
ПТ 15-15 2990 1900 180 2.35 0.94 83.44 В22,5 Серия 3.006.1-3/83, вып. 1-2
ПТ 15-3 2990 1860 120 1.75 0.7 25.26 В22,5 Серия 3.006.1-3/83, вып. 1-2
ПТ 15-5 2990 1860 120 1.75 0.7 33.46 В22,5 Серия 3.006.1-3/83, вып. 1-2
ПТ 15-8 2990 1860 120 1.75 0.7 55.98 В22,5 Серия 3.006.1-3/83, вып. 1-2
ПТ 15д-12 590 1900 160 0.45 0.18 13.14 В22,5 Серия 3.006.1-3/83, вып. 1-2
ПТ 15д-15 590 1900 160 0.45 0.18 15.51 В22,5 Серия 3.006.1-3/83, вып. 1-2
ПТ 15д-3 590 1860 120 0.35 0.14 5.43 В22,5 Серия 3.006.1-3/83, вып. 1-2
ПТ 15д-5 590 1860 120 0.35 0.14 7.19 В22,5 Серия 3.006.1-3/83, вып. 1-2
ПТ 15д-8 590 1860 120 0.35 0.14 11.03 В22,5 Серия 3.006.1-3/83, вып. 1-2
ПТ 18-11 2990 2200 180 3.03 1.21 85.48 В22,5 Серия 3.006.1-3/83, вып. 1-2
ПТ 18-12 2990 2200 180 3.03 1.21 92.36 В22,5 Серия 3.006.1-3/83, вып. 1-2
ПТ 18-15 2990 2200 180 3.03 1.21 111.14 В22,5 Серия 3.006.1-3/83, вып. 1-2
ПТ 18-3 2990 2160 140 2.33 0.93 32.02 В22,5 Серия 3.006.1-3/83, вып. 1-2
ПТ 18-5 2990 2160 140 2.33 0.93 46.42 В22,5 Серия 3.006.1-3/83, вып. 1-2
ПТ 18-8 2990 2160 140 2.33 0.93 72.22 В22,5 Серия 3.006.1-3/83, вып. 1-2
ПТ 18д-12 590 2200 180 0.58 0.23 19.22 В22,5 Серия 3.006.1-3/83, вып. 1-2
ПТ 18д-15 590 2200 180 0.58 0.23 23.34 В22,5 Серия 3.006.1-3/83, вып. 1-2
ПТ 18д-3 590 2160 140 0.45 0.18 6.04 В22,5 Серия 3.006.1-3/83, вып. 1-2
ПТ 18д-5 590 2160 140 0.45 0.18 10.19 В22,5 Серия 3.006.1-3/83, вып. 1-2
ПТ 18д-8 590 2160 140 0.45 0.18 15.26 В22,5 Серия 3.006.1-3/83, вып. 1-2
ПТ 21-11 2990 2500 200 3.8 1.52 115.32 В22,5 Серия 3.006.1-3/83, вып. 1-2
ПТ 21-12 2990 2500 200 3.8 1.52 125.24 В22,5 Серия 3.006.1-3/83, вып. 1-2
ПТ 21-15 2990 2500 200 3.8 1.52 146.3 В22,5 Серия 3.006.1-3/83, вып. 1-2
ПТ 21-3 2990 2460 160 3 1.2 40.22 В22,5 Серия 3.006.1-3/83, вып. 1-2
ПТ 21-5 2990 2460 160 3 1.2 63.95 В22,5 Серия 3.006.1-3/83, вып. 1-2
ПТ 21-8 2990 2460 160 3 1.2 92.9 В22,5 Серия 3.006.1-3/83, вып. 1-2
ПТ 21д-12 590 2500 200 0.73 0.29 26.88 В22,5 Серия 3.006.1-3/83, вып. 1-2
ПТ 21д-15 590 2500 200 0.73 0.29 32.08 В22,5 Серия 3.006.1-3/83, вып. 1-2
ПТ 21д-3 590 2460 160 0.58 0.23 8.81 В22,5 Серия 3.006.1-3/83, вып. 1-2
ПТ 21д-5 590 2460 160 0.58 0.23 11.53 В22,5 Серия 3.006.1-3/83, вып. 1-2
ПТ 21д-8 590 2460 160 0.58 0.23 17.32 В22,5 Серия 3.006.1-3/83, вып. 1-2
ПТ 24-11 2990 2800 300 3.48 1.39 150.29 В22,5 Серия 3.006.1-3/83, вып. 1-2
ПТ 24-12 2990 2800 300 3.48 1.39 175.26 В22,5 Серия 3.006.1-3/83, вып. 1-2
ПТ 24-15 2990 2800 300 3.48 1.39 203.42 В22,5 Серия 3.006.1-3/83, вып. 1-2
ПТ 24-3 2990 2760 240 2.75 1.1 72.17 В22,5 Серия 3.006.1-3/83, вып. 1-2
ПТ 24-5 2990 2760 240 2.75 1.1 99.27 В22,5 Серия 3.006.1-3/83, вып. 1-2
ПТ 24-8 2990 2760 240 2.75 1.1 142.04 В22,5 Серия 3.006.1-3/83, вып. 1-2
ПТ 24д-12 590 2800 300 1.15 0.46 27.28 В22,5 Серия 3.006.1-3/83, вып. 1-2
ПТ 24д-15 590 2800 300 1.15 0.46 29.59 В22,5 Серия 3.006.1-3/83, вып. 1-2
ПТ 24д-3 590 2760 240 0.93 0.37 7.91 В22,5 Серия 3.006.1-3/83, вып. 1-2
ПТ 24д-5 590 2760 240 0.93 0.37 10.96 В22,5 Серия 3.006.1-3/83, вып. 1-2
ПТ 24д-8 590 2760 240 0.93 0.37 18.06 В22,5 Серия 3.006.1-3/83, вып. 1-2
ПТ 30-11 2990 3400 320 4.35 1.74 253.24 В22,5 Серия 3.006.1-3/83, вып. 1-2
ПТ 30-12 2990 3400 320 4.35 1.74 262.54 В22,5 Серия 3.006.1-3/83, вып. 1-2
ПТ 30-15 2990 3400 320 4.35 1.74 323.48 В22,5 Серия 3.006.1-3/83, вып. 1-2
ПТ 30-3 2990 3360 260 3.48 1.39 107.93 В22,5 Серия 3.006.1-3/83, вып. 1-2
ПТ 30-5 2990 3360 260 3.48 1.39 156.74 В22,5 Серия 3.006.1-3/83, вып. 1-2
ПТ 30-8 2990 3360 260 3.48 1.39 230.72 В22,5 Серия 3.006.1-3/83, вып. 1-2
ПТ 30д-12 590 3400 320 1.5 0.6 44.3 В22,5 Серия 3.006.1-3/83, вып. 1-2
ПТ 30д-15 590 3400 320 1.5 0.6 52.31 В22,5 Серия 3.006.1-3/83, вып. 1-2
ПТ 30д-3 590 3360 280 1.23 0.49 11.64 В22,5 Серия 3.006.1-3/83, вып. 1-2
ПТ 30д-5 590 3360 280 1.23 0.49 18.68 В22,5 Серия 3.006.1-3/83, вып. 1-2
ПТ 30д-8 590 3360 280 1.23 0.49 29.64 В22,5 Серия 3.006.1-3/83, вып. 1-2
ПТ 36-11 1490 4000 340 3.05 1.22 179.06 В22,5 Серия 3.006.1-3/83, вып. 1-2
ПТ 36-12 1490 4000 340 3.05 1.22 184.66 В22,5 Серия 3.006.1-3/83, вып. 1-2
ПТ 36-15 1490 4000 340 3.05 1.22 237.52 В22,5 Серия 3.006.1-3/83, вып. 1-2
ПТ 36-3 1490 3960 280 2.2 0.88 76.86 В22,5 Серия 3.006.1-3/83, вып. 1-2
ПТ 36-5 1490 3960 280 2.2 0.88 133.82 В22,5 Серия 3.006.1-3/83, вып. 1-2
ПТ 36-8 1490 3960 280 2.2 0.88 179.56 В22,5 Серия 3.006.1-3/83, вып. 1-2
ПТ 36д-12 590 4000 340 1.9 0.76 70.37 В22,5 Серия 3.006.1-3/83, вып. 1-2
ПТ 36д-15 590 4000 340 1.9 0.76 90.92 В22,5 Серия 3.006.1-3/83, вып. 1-2
ПТ 36д-3 590 3960 280 1.55 0.62 18.03 В22,5 Серия 3.006.1-3/83, вып. 1-2
ПТ 36д-5 590 3960 280 1.55 0.62 28.68 В22,5 Серия 3.006.1-3/83, вып. 1-2
ПТ 36д-8 590 3960 280 1.55 0.62 44.16 В22,5 Серия 3.006.1-3/83, вып. 1-2
ПТ 42-11 1490 4600 360 3.65 1.46 244.52 В22,5 Серия 3.006.1-3/83, вып. 1-2
ПТ 42-12 1490 4600 360 3.65 1.46 261.24 В22,5 Серия 3.006.1-3/83, вып. 1-2
ПТ 42-15 1490 4600 360 3.65 1.46 359.36 В22,5 Серия 3.006.1-3/83, вып. 1-2
ПТ 42-3 1490 4560 300 2.63 1.05 98.36 В22,5 Серия 3.006.1-3/83, вып. 1-2
ПТ 42-5 1490 4560 300 2.63 1.05 171.17 В22,5 Серия 3.006.1-3/83, вып. 1-2
ПТ 42-8 1490 4560 300 2.63 1.05 233.87 В22,5 Серия 3.006.1-3/83, вып. 1-2
ПТ 42д-12 590 4600 360 2.3 0.92 105 В22,5 Серия 3.006.1-3/83, вып. 1-2
ПТ 42д-15 590 4600 360 2.3 0.92 155.56 В22,5 Серия 3.006.1-3/83, вып. 1-2
ПТ 42д-3 590 4560 300 1.9 0.76 25.59 В22,5 Серия 3.006.1-3/83, вып. 1-2
ПТ 42д-5 590 4560 300 1.9 0.76 43.26 В22,5 Серия 3.006.1-3/83, вып. 1-2
ПТ 42д-8 590 4560 300 1.9 0.76 76.04 В22,5 Серия 3.006.1-3/83, вып. 1-2
ПТ 48-11 1490 5280 400 4.53 1.81 309.80 В22,5 Серия 3.006.1-3/83, вып. 1-2
ПТ 48-12 1490 5280 400 4.53 1.81 331.62 В22,5 Серия 3.006.1-3/83, вып. 1-2
ПТ 48-15 1490 5280 400 4.53 1.81 444.58 В22,5 Серия 3.006.1-3/83, вып. 1-2
ПТ 48-3 1490 5200 320 3.13 1.25 119.05 В22,5 Серия 3.006.1-3/83, вып. 1-2
ПТ 48-5 1490 5200 320 3.13 1.25 206.17 В22,5 Серия 3.006.1-3/83, вып. 1-2
ПТ 48-8 1490 5200 320 3.13 1.25 297.07 В22,5 Серия 3.006.1-3/83, вып. 1-2
ПТ 48д-12 590 5280 400 2.93 1.17 134.58 В22,5 Серия 3.006.1-3/83, вып. 1-2
ПТ 48д-15 590 5280 400 2.93 1.17 186.58 В22,5 Серия 3.006.1-3/83, вып. 1-2
ПТ 48д-3 590 5200 320 2.33 0.93 34.86 В22,5 Серия 3.006.1-3/83, вып. 1-2
ПТ 48д-5 590 5200 320 2.33 0.93 58.62 В22,5 Серия 3.006.1-3/83, вып. 1-2
ПТ 48д-8 590 5200 320 2.33 0.93 120.32 В22,5 Серия 3.006.1-3/83, вып. 1-2
ПТО 15-11 2990 1900 160 2.2 0.88 80.46 В22,5 Серия 3.006.1-3/83, вып. 1-2
ПТО 15-12 2990 1900 160 2.2 0.88 86.4 В22,5 Серия 3.006.1-3/83, вып. 1-2
ПТО 15-15 2990 1900 160 2.2 0.88 99.04 В22,5 Серия 3.006.1-3/83, вып. 1-2
ПТО 15-3 2990 1860 120 1.63 0.65 31.73 В22,5 Серия 3.006.1-3/83, вып. 1-2
ПТО 15-5 2990 1860 120 1.63 0.65 38.59 В22,5 Серия 3.006.1-3/83, вып. 1-2
ПТО 15-8 2990 1860 120 1.63 0.65 69.99 В22,5 Серия 3.006.1-3/83, вып. 1-2
ПТО 18-11 2990 2200 180 2.85 1.14 99.96 В22,5 Серия 3.006.1-3/83, вып. 1-2
ПТО 18-12 2990 2200 180 2.85 1.14 108.68 В22,5 Серия 3.006.1-3/83, вып. 1-2
ПТО 18-15 2990 2200 180 2.85 1.14 125 В22,5 Серия 3.006.1-3/83, вып. 1-2
ПТО 18-3 2990 2160 140 2.2 0.88 39.17 В22,5 Серия 3.006.1-3/83, вып. 1-2
ПТО 18-5 2990 2160 140 2.2 0.88 61.39 В22,5 Серия 3.006.1-3/83, вып. 1-2
ПТО 18-8 2990 2160 140 2.2 0.88 84.47 В22,5 Серия 3.006.1-3/83, вып. 1-2
ПТО 21-11 2990 2500 200 3.6 1.44 126.8 В22,5 Серия 3.006.1-3/83, вып. 1-2
ПТО 21-12 2990 2500 200 3.6 1.44 141.32 В22,5 Серия 3.006.1-3/83, вып. 1-2
ПТО 21-15 2990 2500 200 3.6 1.44 157.78 В22,5 Серия 3.006.1-3/83, вып. 1-2
ПТО 21-3 2990 2460 160 2.88 1.15 59.01 В22,5 Серия 3.006.1-3/83, вып. 1-2
ПТО 21-5 2990 2460 160 2.88 1.15 69.93 В22,5 Серия 3.006.1-3/83, вып. 1-2
ПТО 21-8 2990 2460 160 2.88 1.15 106.71 В22,5 Серия 3.006.1-3/83, вып. 1-2
ПТО 24-11 2990 2800 300 3.4 1.36 158.76 В22,5 Серия 3.006.1-3/83, вып. 1-2
ПТО 24-12 2990 2800 300 3.4 1.36 183.56 В22,5 Серия 3.006.1-3/83, вып. 1-2
ПТО 24-15 2990 2800 300 3.4 1.36 211.57 В22,5 Серия 3.006.1-3/83, вып. 1-2
ПТО 24-3 2990 2760 240 2.65 1.06 81.58 В22,5 Серия 3.006.1-3/83, вып. 1-2
ПТО 24-5 2990 2760 240 2.65 1.06 107.55 В22,5 Серия 3.006.1-3/83, вып. 1-2
ПТО 24-8 2990 2760 240 2.65 1.06 150.32 В22,5 Серия 3.006.1-3/83, вып. 1-2
ПТО 30-11 2990 3400 320 4.25 1.7 267.81 В22,5 Серия 3.006.1-3/83, вып. 1-2
ПТО 30-12 2990 3400 320 4.25 1.7 277.11 В22,5 Серия 3.006.1-3/83, вып. 1-2
ПТО 30-15 2990 3400 320 4.25 1.7 337.47 В22,5 Серия 3.006.1-3/83, вып. 1-2
ПТО 30-3 2990 3360 260 3.4 1.36 124.29 В22,5 Серия 3.006.1-3/83, вып. 1-2
ПТО 30-5 2990 3360 260 3.4 1.36 171.15 В22,5 Серия 3.006.1-3/83, вып. 1-2
ПТО 30-8 2990 3360 260 3.4 1.36 245.13 В22,5 Серия 3.006.1-3/83, вып. 1-2
ПТО 36-11 1490 4000 340 2.95 1.18 228.73 В22,5 Серия 3.006.1-3/83, вып. 1-2
ПТО 36-12 1490 4000 340 2.95 1.18 228.49 В22,5 Серия 3.006.1-3/83, вып. 1-2
ПТО 36-15 1490 4000 340 2.95 1.18 253.15 В22,5 Серия 3.006.1-3/83, вып. 1-2
ПТО 36-3 1490 3960 280 2.12 0.85 83.72 В22,5 Серия 3.006.1-3/83, вып. 1-2
ПТО 36-5 1490 3960 280 2.12 0.85 140.15 В22,5 Серия 3.006.1-3/83, вып. 1-2
ПТО 36-8 1490 3960 280 2.12 0.85 200.21 В22,5 Серия 3.006.1-3/83, вып. 1-2
ПТО 42-11 1490 4600 360 3.55 1.42 283.33 В22,5 Серия 3.006.1-3/83, вып. 1-2
ПТО 42-12 1490 4600 360 3.55 1.42 304.77 В22,5 Серия 3.006.1-3/83, вып. 1-2
ПТО 42-15 1490 4600 360 3.55 1.42 420.65 В22,5 Серия 3.006.1-3/83, вып. 1-2
ПТО 42-3 1490 4560 300 2.55 1.02 106.01 В22,5 Серия 3.006.1-3/83, вып. 1-2
ПТО 42-5 1490 4560 300 2.55 1.02 178.3 В22,5 Серия 3.006.1-3/83, вып. 1-2
ПТО 42-8 1490 4560 300 2.55 1.02 283.78 В22,5 Серия 3.006.1-3/83, вып. 1-2
ПТО 48-11 1490 5280 400 4.43 1.77 367.33 В22,5 Серия 3.006.1-3/83, вып. 1-2
ПТО 48-12 1490 5280 400 4.43 1.77 375.85 В22,5 Серия 3.006.1-3/83, вып. 1-2
ПТО 48-15 1490 5280 400 4.43 1.77 508.53 В22,5 Серия 3.006.1-3/83, вып. 1-2
ПТО 48-3 1490 5200 320 3.05 1.22 127.48 В22,5 Серия 3.006.1-3/83, вып. 1-2
ПТО 48-5 1490 5200 320 3.05 1.22 229.18 В22,5 Серия 3.006.1-3/83, вып. 1-2
ПТО 48-8 1490 5200 320 3.05 1.22 356.79 В22,5 Серия 3.006.1-3/83, вып. 1-2

У нас можно заказать изготовление по чертежам любых ЖБИ Сэкономьте время на поиск - сразу звоните нам!

  • Махачкала 8 (800) 301-17-45


  • Оперативная связь через мессенджеры:

    +7 921 375-40-71

Доставка по Махачкале и любым городам России.

Цена от 10000 рублей за 1 м3 ( от 5 руб за кг).



Фото эксперта
Консультация эксперта
Сергеев Александр Вячеславович - Эксперт с 25-летним стажем в сфере производства ЖБИ и изделий из бетона.
Задать вопрос эксперту
Нам доверяют:

Заказать продукцию

+7(800)444-79-35

звонок по России бесплатный


+7 (812) 565-17-28

ООО "ЖБИ и Архитектура" © 2008-2026
Политика конфиденциальности и правила обработки персональных данных, Правила обработки cookies . Информация на сайте носит исключительно информационный характер и не является публичной офертой, определяемой положениями ст. 437 Гражданского кодекса РФКопирование материалов с данного сайта разрешено только с письменного разрешения администрации сайта.
Махачкала и Дагестан

info@prom-gbi.ru
mahachkala.prom-gbi.ru