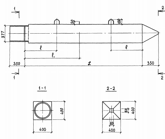
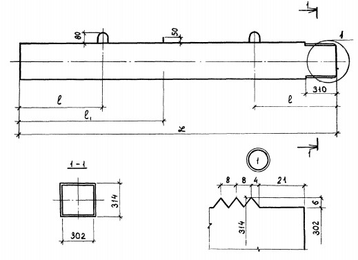
ОТГРУЗИЛИ ИЗДЕЛИЙ с 2008 года: тонн по чертежам тонн по сериям и ТУ тонн из артбетона Звено сваи нижнее С8-40НС Серия 1.011.1-7 в Махачкале
Популярные товары в каталоге
![]() У нас можно заказать изготовление по чертежам любых ЖБИ Сэкономьте время на поиск - сразу звоните нам!
Доставка по Махачкале и любым городам России. Цена от 10000 рублей за 1 м3 ( от 5 руб за кг). Производство ЖБИ
Консультация эксперта
Сергеев Александр Вячеславович - Эксперт с 25-летним стажем в сфере производства ЖБИ и изделий из бетона.
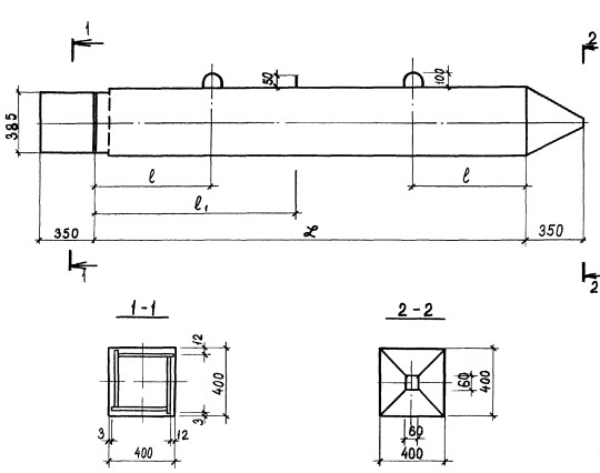
Смотрите также:Звено сваи нижнее С8-40НК Серия 1.011.1-7
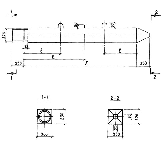
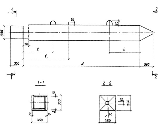
Звено сваи нижнее С8-35НС Серия 1.011.1-7 Звено сваи нижнее С8-35НК Серия 1.011.1-7 Звено средней части трубы ЗП 250.2.200 серия 2119РЧ Звено средней части ЗП19.100м серия 3.501.1-177.93 Звено трубы повышенное ЗП250П серия 2119РЧ Звено сваи нижнее С8-40НС Серия 1.011.1-7 в Махачкале в наличии и под заказ по цене от 10 т.р. за м3. У нас можно купить ЖБИ «Звено сваи нижнее С8-40НС Серия 1.011.1-7 в Махачкале» с доставкой в любой город, а также любые ЖБИ изделия.
Нам доверяют:
|

+7 921 375-40-71









