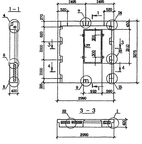
ОТГРУЗИЛИ ИЗДЕЛИЙ с 2008 года: тонн по чертежам тонн по сериям и ТУ тонн из артбетона Панель БЦ 60-5-3,5-Л Серия 1.030.1-1 в Махачкале
Популярные товары в каталоге
![]() У нас можно заказать изготовление по чертежам любых ЖБИ Сэкономьте время на поиск - сразу звоните нам!
Доставка по Махачкале и любым городам России. Цена от 10000 рублей за 1 м3 ( от 5 руб за кг). Производство ЖБИ
Консультация эксперта
Сергеев Александр Вячеславович - Эксперт с 25-летним стажем в сфере производства ЖБИ и изделий из бетона.
Смотрите также:Панель БЦ 60-5-2,5-Л Серия 1.030.1-1
Панель БЦ 36-5-3,5-Л Серия 1.030.1-1 Панель БЦ 36-5-2,5-Л Серия 1.030.1-1 Панель ВНП-11-28-3,5 Серия КУБ 2.5 Панель ВНП-11-28-3,5-1 Серия КУБ 2.5 Панель ВНП-11-28-4 Серия КУБ 2.5 Панель БЦ 60-5-3,5-Л Серия 1.030.1-1 в Махачкале в наличии и под заказ по цене от 10 т.р. за м3. У нас можно купить ЖБИ «Панель БЦ 60-5-3,5-Л Серия 1.030.1-1 в Махачкале» с доставкой в любой город, а также любые ЖБИ изделия.
Нам доверяют:
|

+7 921 375-40-71





