ОТГРУЗИЛИ ИЗДЕЛИЙ
с 2008 года: тонн
по чертежам тонн
по сериям и ТУ тонн
из артбетона Опорные плиты в МахачкалеМы производители! Ассортимент - более 50 тысяч номенклатурных позиций для любых cтроительных задач. У нас можно купить железобетонные опорные плиты с доставкой в Махачкале, Дагестану и всей России Компания «Пром-ЖБИ» производит и реализует опорные плиты. Эти унифицированные железобетонные изделия используются в сочетании с одноразмерными прогонами. С помощью этих деталей конструируются проемы, перегородки и перекрытия всевозможного назначения в мостах и зданиях.
Принятые условные обозначения: Серия 1.225-2, Серия 503-0-17, Серия ИИ 01-02
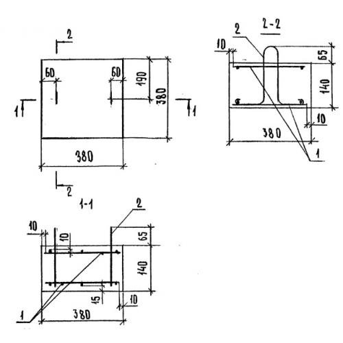
Характеристики железобетонных опорных плитПо конструкции опорные плиты являются сплошными параллелепипедами. На их верхней грани расположены две строповочные петли. На прогоны, которые являются несущими конструкциями, устанавливаются плиты ПП или потолочный настил, а опорные плиты при этом обеспечивают надежную опору самим прогонам. Это достигается за счет равномерного распределения нагрузки на стены. Для изготовления опорных плит применяется тяжелый бетон. Для повышения эксплуатационных характеристик он армируется каркасом из прочной стали класса A-I и A-III. Опорные плиты активно используются при возведении мостовых сооружений и зданий различного спектра назначения. Высокие показатели прочности и стойкости позволяют успешно эксплуатировать их в любых климатических поясах. В сочетании с прогонами из железобетона они могут хорошо выдерживать жесткие условия окружающей среды. Компания «Пром-ЖБИ» строго следит за качеством изготавливаемой продукции. Наши специалисты используют самое современное оборудование для производства железобетонных опорных плит. Эти изделия изготавливаются по утвержденным правилам ГОСТа 5781-82 и Серии 1.225-2. Мы предлагаем как готовые типовые опорные плиты, так и выполненные по индивидуальным чертежам. Заказ железобетонных опорных плитВ нашей компании Вы можете приобрести опорные плиты из железобетона по самым привлекательным ценам, свободным от наценок посредников. Наши менеджеры готовы принять Ваш заказ по электронной почте: Этот e-mail адрес защищен от спам-ботов, для его просмотра у Вас должен быть включен Javascript , по телефону +7 (800) 444-79-35 или по форме на нашем сайте.
Плиты опорные. Серия 1.225-2
Плиты опорные. Серия 503-0-17Плиты опорные. Серия ИИ 01-02Популярные товары в каталоге
![]() У нас можно заказать изготовление по чертежам любых ЖБИ Сэкономьте время на поиск - сразу звоните нам!
Доставка по Махачкале и любым городам России. Цена от 10000 рублей за 1 м3 ( от 5 руб за кг). Производство ЖБИ
Консультация эксперта
Сергеев Александр Вячеславович - Эксперт с 25-летним стажем в сфере производства ЖБИ и изделий из бетона.
Смотрите также:
Перемычки оконные и дверные железобетонные
Плиты ленточных фундаментов
Плиты подоконные
Плиты поясные
жби
Площадочная плита
Полурамы РПС
жб
Прогоны
Облицовочные плиты
от завода
Многопустотные плиты перекрытий
Лестничные марши
Контрофорсы
из бетона
Конструкции каркасных зданий
Колонны зданий железобетонные
(бетон)
Колонна К-1
Нам доверяют:
|

+7 921 375-40-71











