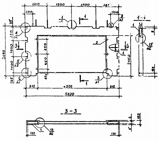
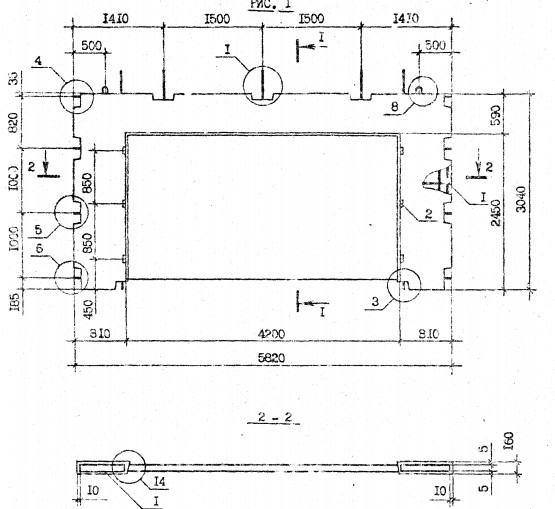
ОТГРУЗИЛИ ИЗДЕЛИЙ с 2008 года: тонн по чертежам тонн по сериям и ТУ тонн из артбетона Панель ПВР 60.33.42-3Т-ПВ Серия 1.090.1-3пв в Махачкале
Популярные товары в каталоге
![]() У нас можно заказать изготовление по чертежам любых ЖБИ Сэкономьте время на поиск - сразу звоните нам!
Доставка по Махачкале и любым городам России. Цена от 10000 рублей за 1 м3 ( от 5 руб за кг). Производство ЖБИ
Консультация эксперта
Сергеев Александр Вячеславович - Эксперт с 25-летним стажем в сфере производства ЖБИ и изделий из бетона.
Смотрите также:Панель ПВР 60.30.42-3Т-ПВ Серия 1.090.1-3пв
Панель ПВР 60.30.30-3Т-ПВ Серия 1.090.1-3пв Панель ПВР 58.33.42-3Т-С Серия 1.090.1-2с Панель ПВР 70.30.56-3Т-С Серия 1.090.1-2с Панель ПВР 70.30.56-3Т-С9 Серия 1.090.1-2с Панель ПВР 70.30.56-7Т-С Серия 1.090.1-2с Панель ПВР 60.33.42-3Т-ПВ Серия 1.090.1-3пв в Махачкале в наличии и под заказ по цене от 10 т.р. за м3. У нас можно купить ЖБИ «Панель ПВР 60.33.42-3Т-ПВ Серия 1.090.1-3пв в Махачкале» с доставкой в любой город, а также любые ЖБИ изделия.
Нам доверяют:
|

+7 921 375-40-71











