ОТГРУЗИЛИ ИЗДЕЛИЙ с 2008 года: тонн по чертежам тонн по сериям и ТУ тонн из артбетона Панель ребристая РА1 Серия ИИ 01-02
Популярные товары в каталоге
![]() У нас можно заказать изготовление по чертежам любых ЖБИ Сэкономьте время на поиск - сразу звоните нам!
Доставка по Махачкале и любым городам России. Цена от 10000 рублей за 1 м3 ( от 5 руб за кг). Производство ЖБИ
Консультация эксперта
Сергеев Александр Вячеславович - Эксперт с 25-летним стажем в сфере производства ЖБИ и изделий из бетона.
Смотрите также:Панель ребристая КБ7 Серия ИИ 01-02
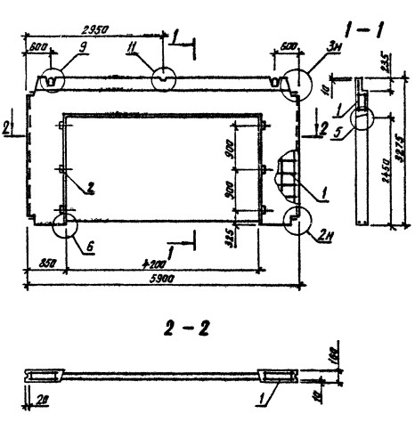
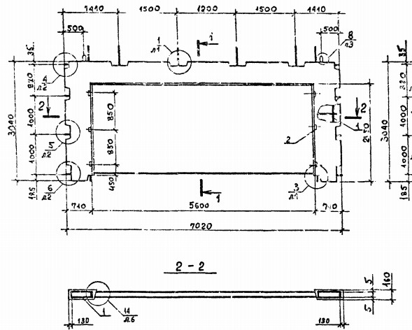
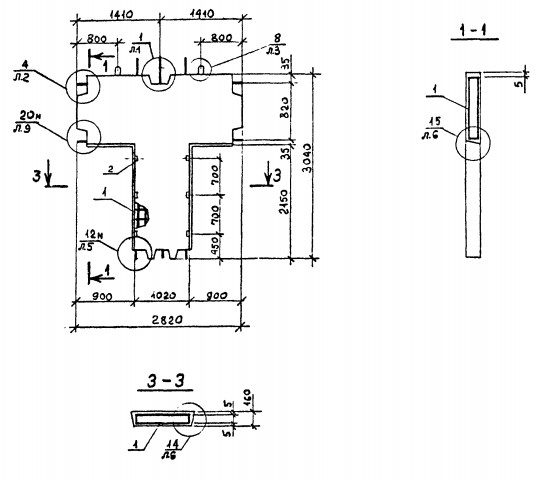
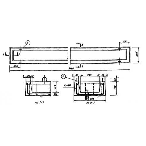
Панель ребристая КБ6 Серия ИИ 01-02 Панель ребристая КБ5 Серия ИИ 01-02 Панель ребристая РА2 Серия ИИ 01-02 Панель ребристая РА3 Серия ИИ 01-02 Панель ребристая РА4 Серия ИИ 01-02 Панель ребристая РА1 Серия ИИ 01-02 в наличии и под заказ по цене от 10 т.р. за м3. У нас можно купить ЖБИ «Панель ребристая РА1 Серия ИИ 01-02» с доставкой в любой город, а также любые ЖБИ изделия.
Нам доверяют:
|

+7 921 375-40-71












