ОТГРУЗИЛИ ИЗДЕЛИЙ
с 2008 года: тонн
по чертежам тонн
по сериям и ТУ тонн
из артбетона Лестничная площадка в МахачкалеМы производители! Ассортимент - более 50 тысяч номенклатурных позиций для любых cтроительных задач. У нас можно купить железобетонные лестничные площадки с доставкой в Махачкале, Дагестану и всей России Лестничные площадки применяются в целях безопасной фиксации лестниц и для разделения длинных лестничных пролетов. Как и остальные составляющие конструкции лестничного типа, площадки являются обязательным элементом практически в любом виде общественного и промышленного строительства: здания различной этажности, железнодорожные платформы, переходы надземного и внутреннего типажа. Пром-ЖБИ производит и реализует лестничные площадки для общественных и промышленных зданий различной этажности. Поскольку товар поставляется напрямую от изготовителя без посредников, цены на нашу продукцию мы предлагаем по самой выгодной цене!
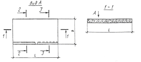
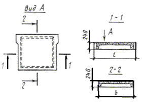
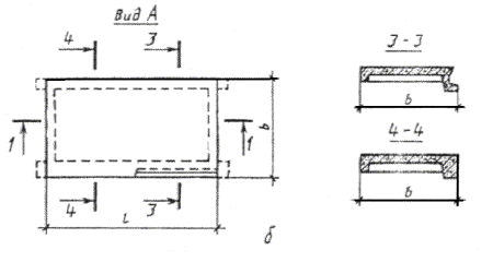
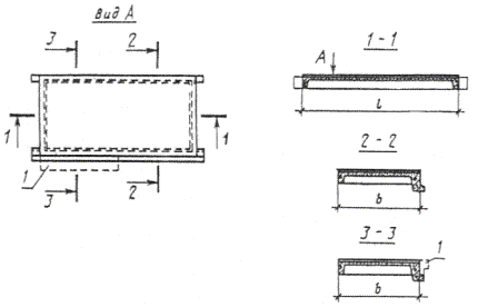
Принятые условные обозначения: ГОСТ 9818-85, Серия ЖУК 99
1ЛП, 2ЛП – плоская лестничная площадка;
ЛПФ – для ребристых фризовых маршей; ЛПП – для ребристых маршей; К – консоль для опирания; ХарактеристикиИзготавливаются лестничные площадки из бетона марки В-15. Изделия, состоящие из него, способны выдерживать большие статические и динамичные нагрузки, высокие и низкие температуры, а также обладают большим сроком службы. Лестничные площадки бывают следующих видов:
Вся номенклатура выполняется по актуальным нормативам, утвержденным в ГОСТ 9818-85. Кроме того, мы изготавливаем лестничные площадки и по индивидуальным чертежам.
Популярные товары в каталоге
![]() У нас можно заказать изготовление по чертежам любых ЖБИ Сэкономьте время на поиск - сразу звоните нам!
Доставка по Махачкале и любым городам России. Цена от 10000 рублей за 1 м3 ( от 5 руб за кг). Производство ЖБИ
Консультация эксперта
Сергеев Александр Вячеславович - Эксперт с 25-летним стажем в сфере производства ЖБИ и изделий из бетона.
Смотрите также:
Плиты лицевые ПЛ
Лотковые элементы железобетонные
Панели стеновые с опорной пятой
Парапетные крышки
жби
Парапетные плиты
Перекрывающие блоки и тротуарные плиты
жб
Переходные плиты
Крышка лотка ЖБИ
от завода
Колодцы ККС
Фундаменты под дорожные знаки и светофоры
Фундамент для светофоров с наклонной лестницей
из бетона
Дорожные плиты
Дорожные ограждения
(бетон)
Бордюрный камень
Нам доверяют:
|

+7 921 375-40-71








