ОТГРУЗИЛИ ИЗДЕЛИЙ
с 2008 года: тонн
по чертежам тонн
по сериям и ТУ тонн
из артбетона Плиты заборных стенок в МахачкалеМы производители! Ассортимент - более 50 тысяч номенклатурных позиций для любых cтроительных задач. У нас можно купить плиты заборных стенок с доставкой в Махачкале, Дагестану и всей России Компания «Пром-ЖБИ» свыше 9 лет производит и реализует плиты заборных стенок. Эти изделия используются в сфере строительства автодорожных мостов как защитные элементы береговых опор. Внешне они представляют собой плоские пластины из бетона прямоугольной формы, достаточно небольшие по размеру. Помимо выполнения работ по установленным документациям, мы изготавливаем железобетонные изделия по чертежам заказчика.
Принятые условные обозначения: Cерия 3.820-13, выпуск 3, Серия 3.503.1-55, Cерия 3.503.1-75 (3.503-29)
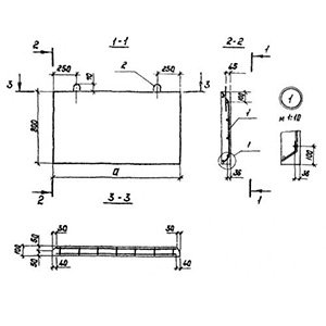
Характеристики плит заборных стенок.Плиты заборных стенок обладают повышенными прочностными характеристиками. Благодаря этому они гарантированно выдерживают повышенные механические нагрузки. Чтобы соединение соседних плит было более надежным и простым, по периметру этих изделий расположены скосы. Одна из длинных граней оснащена двумя строповочными петлями, которые значительно упрощают монтаж и перемещение плит. Высокие свойства прочности этим изделиям придают плоскостные каркасы. Они представляют собой пару сваренных усиливающих сеток и расположенных между ними нескольких плоских перемычек. Для изготовления этих армирующих элементов применяется арматура класса A-III (диаметр – 12 мм). Закрывает их защитный цементный слой толщиной не менее 20 мм. Этот слой производится из бетона со следующими характеристиками: не ниже B25 по прочности, не ниже F200 по морозостойкости, не ниже W6 по водонепроницаемости. Применение плит заборных стенок.Плиты заборных стенок востребованы при возведении автодорожных мостов, когда требуется обустроить защиту береговых опор. Нормы безопасности требуют гарантированной защиты несущих свай разных мостовых сооружений. Особую опасность представляет ледоход: ледяные глыбы могут оказывать серьезное разрушительное действие. По этой причине для изготовления заборных стенок используются бетонные смеси высокой прочности. В ассортименте компании «Пром-ЖБИ» представлены плиты заборных стенок распространенных типовых размеров. Также наши специалисты готовы выполнить изделие по индивидуальным размерам. Заказ железобетонных плит заборных стенок.Вся наша продукция изготавливается на собственных производственных площадках. Это позволяет нам предлагать железобетонные изделия по самой выгодной для клиента ценам, свободным от наценок посредников. Заказать железобетонные плиты заборных стенок Вы можете в компании «Пром-ЖБИ». Наши менеджеры готовы принять Ваш заказ по электронной почте: Этот e-mail адрес защищен от спам-ботов, для его просмотра у Вас должен быть включен Javascript , по телефону +7 (800) 444-79-35 или по форме на нашем сайте.
Плита заборных стенок серия 3.820-13, выпуск 3Плиты заборных стенок Серия 3.503.1-55
Плиты заборных стенок серия 3.503.1-75 (3.503-29)
![]() У нас можно заказать изготовление по чертежам любых ЖБИ Сэкономьте время на поиск - сразу звоните нам!
Доставка по Махачкале и любым городам России. Цена от 10000 рублей за 1 м3 ( от 5 руб за кг).
Консультация эксперта
Сергеев Александр Вячеславович - Эксперт с 25-летним стажем в сфере производства ЖБИ и изделий из бетона.
Смотрите также:
Преднапряженные ж/б плиты перекрытия с круглыми пустотами
Прогоны для мостов
Сборные пролетные строения
Шандора кольца
жби
Сопряжения автодорожных мостов и путепроводов с насыпью
Стойка железобетонная
жб
Стойки круглые C4.80-14TAIII
Плиты сводчатые железобетонные
от завода
Плиты пролетных строений
Плиты проезжей части
Плиты переходные железобетонные
из бетона
Плиты накладные
Плиты мягкого въезда
(бетон)
Плиты БМП
Нам доверяют:
|

+7 921 375-40-71

