ОТГРУЗИЛИ ИЗДЕЛИЙ
с 2008 года: тонн
по чертежам тонн
по сериям и ТУ тонн
из артбетона Облицовочные плиты в МахачкалеМы производители! Ассортимент - более 50 тысяч номенклатурных позиций для любых cтроительных задач. У нас можно купить облицовочные плиты с доставкой в Махачкале, Дагестану и всей России Облицовочные плиты укрепляют фасад строения и придают ему необходимый внешний вид. Данное изделие широко применяется во всех сферах промышленного и гражданского строительства. Компания «Промышленные Железобетонные Изделия» осуществляет производство и реализацию любых видов облицовочных плит. В нашем распоряжении имеется сеть строительных площадок, расположенных в крупных регионах страны. Отлаженная логистика обеспечивает оперативную доставку в любую удобную для Вас точку. Помимо выполнения работ по установленным стандартам, мы выполняем изготавливаем изделия также и по индивидуальным чертежам заказчика. «Пром ЖБИ» предлагает качественную ЖБИ-продукцию по самым выгодным ценам, без участия посредников! Большой опыт и контроль на всех этапах производства гарантирует выполнение работ качественно и в срок!
ХарактеристикиВ зависимости от характера применения состав облицовочных плит могут быть самым разным: от обычного железобетона до примесей стеклофибробетона или гидротехнического бетона.
Основные требования к характеристикам облицовочных плит: Являясь изделием, предназначенным для фасада строения, облицовочные плиты должны обладать высокими характеристиками прочности и невосприимчивости к воздействию погодных условий окружающей среды на несколько десятков лет. Крайне важно учесть природные особенности среды места строительства. Так, например, в условиях постоянного контакта с водой, следует изготавливать облицовочные плиты с гидротехническими добавками. Помимо функции укрепления, облицовочные плиты выполняют также декоративную роль, поэтому внешний вид плиты должен выглядеть соответствующе общей визуальной концепции. Заказать облицовочные плиты Вы можете, заполнив форму заявки, отправив письмо на почту Этот e-mail адрес защищен от спам-ботов, для его просмотра у Вас должен быть включен Javascript или позвонив нам по единому номеру +7 (800) 444-79-35 (звонок по России бесплатный)
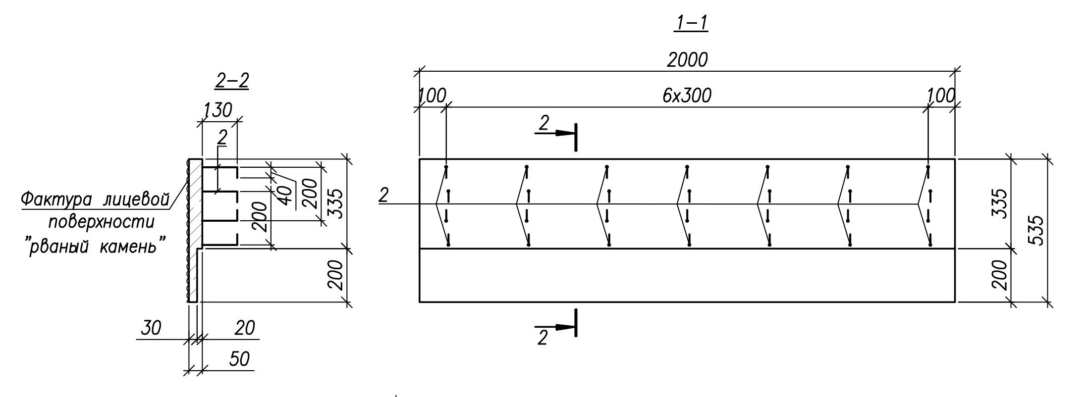
![]() У нас можно заказать изготовление по чертежам любых ЖБИ Сэкономьте время на поиск - сразу звоните нам!
Доставка по Махачкале и любым городам России. Цена от 10000 рублей за 1 м3 ( от 5 руб за кг). Производство ЖБИ
Консультация эксперта
Сергеев Александр Вячеславович - Эксперт с 25-летним стажем в сфере производства ЖБИ и изделий из бетона.
Смотрите также:
Опорные плиты
Перемычки оконные и дверные железобетонные
Плиты ленточных фундаментов
Плиты подоконные
жби
Плиты поясные
Площадочная плита
жб
Полурамы РПС
Многопустотные плиты перекрытий
от завода
Лестничные марши
Контрофорсы
Конструкции каркасных зданий
из бетона
Колонны зданий железобетонные
Колонна К-1
(бетон)
Карнизные, парапетные плиты и козырьки входа
Нам доверяют:
|

+7 921 375-40-71



