ОТГРУЗИЛИ ИЗДЕЛИЙ
с 2008 года: тонн
по чертежам тонн
по сериям и ТУ тонн
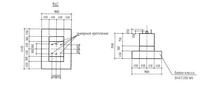
из артбетона Фундаменты навеса ФН в МахачкалеМы производители! Ассортимент - более 50 тысяч номенклатурных позиций для любых cтроительных задач. У нас можно купить фундаменты навеса ФН для жд платформ с доставкой в Махачкале, Дагестану и всей России Фундамент навеса ФН нашли широкое применение в строительстве пассажирских железнодорожных платформ. Это изделие грибовидной формы с анкерными креплениями для фиксации навесной конструкции. Компания «Пром ЖБИ» изготавливает и реализует фундаменты навесов ФН любых габаритов. Сеть собственных производственных площадок, расположенных в крупных регионах страны, а также отлаженная логистика осуществляют поставки качественной ЖБИ-продукции по самой выгодной для заказчика цене, свободной от участия посредников.
Фундаменты навеса ФН изготавливаются по индивидуальным чертежам, в зависимости от особенностей каждого отдельного проекта. Помимо указанных габаритов, мы также производим изделия любых других размеров.
Эти и многие другие изделия Вы можете заказать, заполнив форму заявки на нашем сайте или отправив письмо на почту Этот e-mail адрес защищен от спам-ботов, для его просмотра у Вас должен быть включен Javascript . На все интересующие Вас вопросы мы готовы ответить по единому номеру телефона +7 (800) 444-79-35 (звонок по России бесплатный). Фундаменты навесов ФНПопулярные товары в каталоге
![]() У нас можно заказать изготовление по чертежам любых ЖБИ Сэкономьте время на поиск - сразу звоните нам!
Доставка по Махачкале и любым городам России. Цена от 10000 рублей за 1 м3 ( от 5 руб за кг). Производство ЖБИ
Консультация эксперта
Сергеев Александр Вячеславович - Эксперт с 25-летним стажем в сфере производства ЖБИ и изделий из бетона.
Смотрите также:
Лестничный марш
Плиты покрытия платформ
Плита из декоративного бетона БП
Плиты пандуса
жби
Плиты со вскрытой фактурой
Ригели ИР
жб
Ригели пандуса
Фундаменты навеса ФМ
от завода
Фундамент опоры освещения
Фундамент
Краевая балка
из бетона
Изделия для железнодорожных платформ
Железнодорожные шпалы
(бетон)
Устройство заградительное переездное
Нам доверяют:
|

+7 921 375-40-71









