ОТГРУЗИЛИ ИЗДЕЛИЙ
с 2008 года: тонн
по чертежам тонн
по сериям и ТУ тонн
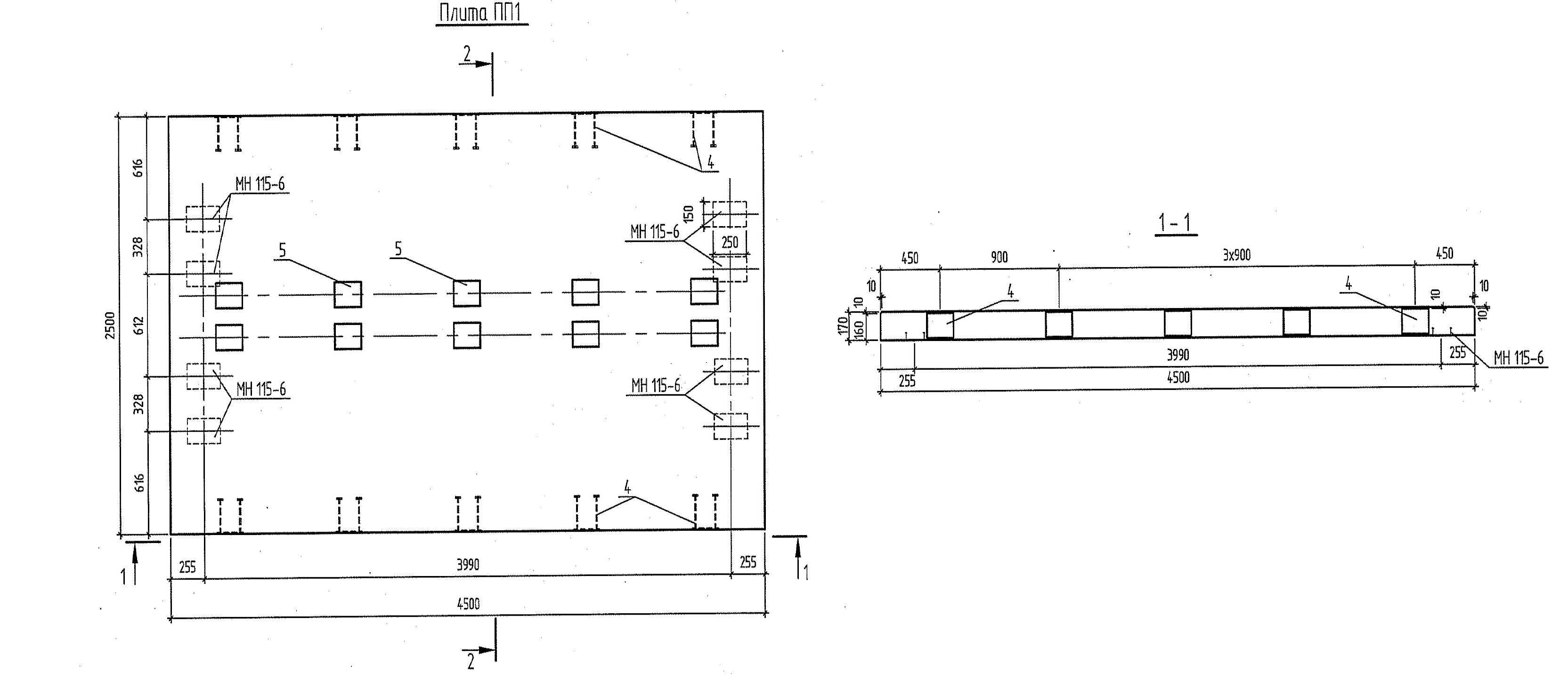
из артбетона Плиты пандуса в МахачкалеМы производители! Ассортимент - более 50 тысяч номенклатурных позиций для любых cтроительных задач. У нас можно купить плиты пандуса для пассажирских железнодорожных платформ с доставкой в Махачкале, Дагестану и всей России Плита пандуса - это железобетонное изделие, использующееся в случаях необходимости оборудования дополнительными наклонными площадками для подъема на модульную пассажирскую железнодорожную платформу. Изделие соединяет поверхность платформы с местом подъема, что особенно удобно при транспортировке тяжелых грузов.
Компания "ПромЖБИ" является поставщиком железобетонных изделий широкого спектра. 10-летний опыт работы, строгий контроль качества выполнения заказов, собственные производственные площадки в крупных регионах страны, возможность поставки в любую точку наиболее удобным видом транспорта (автомобильным, железнодорожным и даже водным) - все эти преимущества позволяют осуществлять производство и реализацию качественной железобетонной продукции по самым выгодным для наших клиентов условиям, без наценок посредников! Плиты пандуса для пассажирских жд-платформ изготавливаются в индивидуальном порядке, в зависимости от особенности каждого отдельного проекта. Помимо указанных габаритов, мы изготавливаем данное изделие любых других размеров. Заказать плиты пандуса Вы можете, заполнив форму заказа на сайте или отправив письмо с запросом на изготовление по адресу Этот e-mail адрес защищен от спам-ботов, для его просмотра у Вас должен быть включен Javascript . Мы также готовы ответить на все интересующие Вас вопросы по единому телефону +7 (800) 444-79-35 (звонок по России бесплатный).
![]() У нас можно заказать изготовление по чертежам любых ЖБИ Сэкономьте время на поиск - сразу звоните нам!
Доставка по Махачкале и любым городам России. Цена от 10000 рублей за 1 м3 ( от 5 руб за кг). Производство ЖБИ
Консультация эксперта
Сергеев Александр Вячеславович - Эксперт с 25-летним стажем в сфере производства ЖБИ и изделий из бетона.
Смотрите также:
Плиты со вскрытой фактурой
Ригели ИР
Ригели пандуса
Ригели РПУ
жби
Ригель краевой
Ригель поперечный
жб
Ригель продольный
Плита из декоративного бетона БП
от завода
Плиты покрытия платформ
Лестничный марш
Фундаменты навеса ФН
из бетона
Фундаменты навеса ФМ
Фундамент опоры освещения
(бетон)
Фундамент
Нам доверяют:
|

+7 921 375-40-71

